COGENT DATA TECHNOLOGIES, INC.

DISKMASTER

Data bus: 16-bit, ISA

Size: Full-length, full-height card

Hard drives supported: Two RLL ST506/412 and two ESDI drives, or

four ESDI drives may be daisy-chained off of CN2

Floppy drives supported: Two 360KB, 720KB, 1.2MB, or 1.44MB

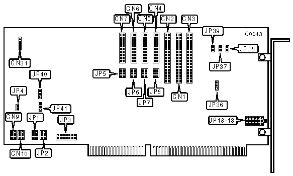
CONNECTIONS

Function

Location

34-pin control cable connector-ST506 hard drives

CN1

34-pin control cable connector-ESDI hard drives

CN2

34-pin data cable connector-floppy drive

CN3

20-pin data cable connector-drive 1

CN4

20-pin data cable connector-drive 2

CN5

20-pin data cable connector-drive 3

CN6

20-pin data cable connector-drive 4

CN7

6-pin EACK connector - (For use with an E/MASTER Ethernet board)

CN9

6-pin ERQ connector - (For use with an E/MASTER Ethernet board)

CN10

4-pin connector-drive active LED

CN31

USER CONFIGURABLE SETTINGS

Function

Location

Setting

»

No DMA expansion

JP4

closed

 

Supports E/Master ethernet

JP4

open

»

Drive 4 is an ST506

JP5*

pins 1 & 2 closed

 

Drive 4 is an ESDI

JP5*

pins 2 & 3 closed

»

Drive 3 is an ST506

JP6*

pins 1 & 2 closed

 

Drive 3 is an ESDI

JP6*

pins 2 & 3 closed

»

Drive 2 is an ESDI

JP7*

pins 2 & 3 closed

 

Drive 2 is an ST506

JP7*

pins 1 & 2 closed

»

Drive 1 is an ESDI

JP8*

pins 2 & 3 closed

 

Drive 1 is an ST506

JP8*

pins 1 & 2 closed

»

Floppy drive enabled

JP36

pins 2 & 3 closed

 

Floppy drive disabled

JP36

pins 1 & 2 closed

»

Reserved for future use

JP37-39

open

Note:* Both pin sets must be set alike

CONTROLLER CLOCK CONFIGURATION

Function

JP40

JP41

»

Set at 10MHz

pins 2 & 3 closed

pins 1 & 2 closed

 

Disabled, bus clock timing enabled

pins 1 & 2 closed

pins 2 & 3 closed

DMA CHANNEL

DRQ

JP1 & JP2/jumper 1

JP1 & JP2/jumper 2

JP1 & JP2/jumper 3

 

DRQ5

closed

open

open

»

DRQ6

open

closed

open

 

DRQ7

open

open

closed

INTERRUPT REQUEST - JP3

#

Jumper 1

Jumper 2

Jumper 3

Jumper 4

Jumper 5

Jumper 6

Jumper 7

3

closed

open

open

open

open

open

open

5

open

closed

open

open

open

open

open

9

open

open

closed

open

open

open

open

10

open

open

open

closed

open

open

open

12

open

open

open

open

closed

open

open

14

open

open

open

open

open

closed

open

15

open

open

open

open

open

open

closed

BIOS ADDRESS

ADDRESS

BINARY

JP18

JP17

JP16

JP15

JP14

JP13

C8000

1100100

Pins 1-2

Pins 2-3

Pins 2-3

Pins 1-2

Pins 2-3

Pins 2-4

Note:Pins designated should be in the closed position.

Binary one

PROM size 8KB

Binary zero

PROM size 8KB

Binary zero

PROM size 16KB

MISCELLANEOUS TECHNICAL NOTES

The BIOS address settings range is C800 - E000 and is selected with JP12-19 using a binary translation. JP12 (LSB) and JP19 (MSB) are internal and assumed to be 0 and 1 respectively. JP13 - JP18 are set: pins 1-2 closed= 1; pins 2-3 closed= 0. Default is C8000:

In addition to serving as the 2 1 place in the BIOS address selection, JP13 is also used to determine PROM size (8KB or 16KB). Due to the pin assignment a PROM cannot have an address with a 1 in the 2 1 place (such as 110001 1 0) and be 16KB (see above).