SONY CORPORATION

CDB-241

Card Type

CD-ROM host card

Chip Set

Unidentified

Maximum Onboard Memory

None

I/O Options

Audio in, host bus connector, line out (2)

Data Bus

8-bit ISA

Floppy drives supported

None

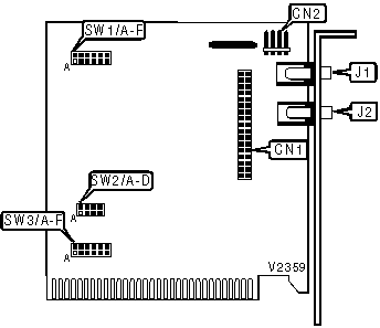
CONNECTIONS

Function

Label

Function

Label

Internal host bus connector

CN1

Line out

J2

Line out

J1

Audio in

CN2

BIOS ADDRESS SELECTION

Address

SW1/A

SW1/B

SW1/C

SW1/D

SW1/E

SW1/F

 

300h

Open

Open

Open

Open

Open

Open

 

304h

Closed

Open

Open

Open

Open

Open

 

308h

Open

Closed

Open

Open

Open

Open

 

30Ch

Closed

Closed

Open

Open

Open

Open

 

310h

Open

Open

Closed

Open

Open

Open

 

320h

Open

Open

Open

Closed

Open

Open

 

330h

Open

Open

Closed

Closed

Open

Open

»

340h

Open

Open

Open

Open

Closed

Open

 

350h

Open

Open

Closed

Open

Closed

Open

 

360h

Open

Open

Open

Closed

Closed

Open

 

370h

Open

Open

Closed

Closed

Closed

Open

 

380h

Open

Open

Open

Open

Open

Closed

 

390h

Open

Open

Closed

Open

Open

Closed

 

3A0h

Open

Open

Open

Closed

Open

Closed

 

3B0h

Open

Open

Closed

Closed

Open

Closed

 

3C0h

Open

Open

Open

Open

Closed

Closed

 

3D0h

Open

Open

Closed

Open

Closed

Closed

 

3E0h

Open

Open

Open

Closed

Closed

Closed

 

3F0h

Open

Open

Closed

Closed

Closed

Closed

INTERRUPT SELECTION

IRQ

SW2/A

SW2/B

SW2/C

SW2/D

2

Closed

Open

Open

Open

3

Open

Closed

Open

Open

4

Open

Open

Closed

Open

5

Open

Open

Open

Closed

DMA CHANNEL SELECTION

Channel

SW3/A

SW3/B

SW3/C

SW3/D

SW3/E

SW3/F

1

Closed

Closed

Open

Open

Open

Open

2

Open

Open

Closed

Closed

Open

Open

3

Open

Open

Open

Open

Closed

Closed