SEA LEVEL SYSTEMS, INC.

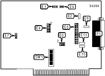
ACB-II

Card Type

Serial card

Chip Set

Unidentified

I/O Options

Serial port

Data Bus

8-bit ISA

CONNECTIONS

Function

Label

Serial port

P1

USER CONFIGURABLE SETTINGS

Function

Label

Position

»

Factory configured - do not alter (IRQ selection)

E1

Open

»

Factory configured - do not alter

E2

Unidentified

»

Factory configured - do not alter

E5

Unidentified

»

Factory configured - do not alter

E6

Unidentified

»

DMA enabled

E7

Pins 1 & 2 closed

 

DMA disabled

E7

Pins 2 & 3 closed

»

Factory configured - do not alter (IRQ selection)

E9

Closed

»

Factory configured - do not alter

E10

Unidentified

»

Factory configured - do not alter

E11

Unidentified

BASE I/O ADDRESS SELECTION

Setting

SW1/1

SW1/2

SW1/3

SW1/4

SW1/5

SW1/6

SW1/7

SW1/8

 

3F8

Off

Off

Off

Off

Off

Off

Off

On

 

378

Off

Off

Off

Off

Off

Off

On

Off

 

2F8

Off

Off

Off

Off

Off

On

Off

Off

 

278

Off

Off

Off

Off

On

Off

Off

Off

 

3B8

Off

Off

Off

On

Off

Off

Off

Off

 

338

Off

Off

On

Off

Off

Off

Off

Off

 

2B8

Off

On

Off

Off

Off

Off

Off

Off

»

238

On

Off

Off

Off

Off

Off

Off

Off

DMA CHANNEL SELECTION

Channel

E3

 

1

Pins 1 & 3, 2 & 4 closed

»

3

Pins 3 & 5, 4 & 6 closed

I/O PIN SELECTION

SETTING

E4

RXC pin as input to DB-25

Pins 1 & 2 closed

RDB pin as input to SCC

Pins 3 & 4 closed

TXC as output to DB-25

Pins 5 & 6 closed

DTR as output to DB-25

Pins 7 & 8 closed

TDB as output to DB-25

Pins 9 & 10 closed