AST RESEARCH, INC.

MANHATTAN V PENTIUM

(202620-001, 002, 011, 012)

Processor

Pentium

Processor Speed

90/100/133MHz

Chip Set

Unidentified

Max. Onboard DRAM

256MB

Cache

256KB

BIOS

Unidentified

Dimensions

330mm x 218mm

I/O Options

32-bit PCI slots (3), CPU slot, floppy drive interface, SCSI interfaces (2), parallel port, PS/2 mouse port, serial ports (2), 8514 video pass through connector, VGA port

NPU Options

None

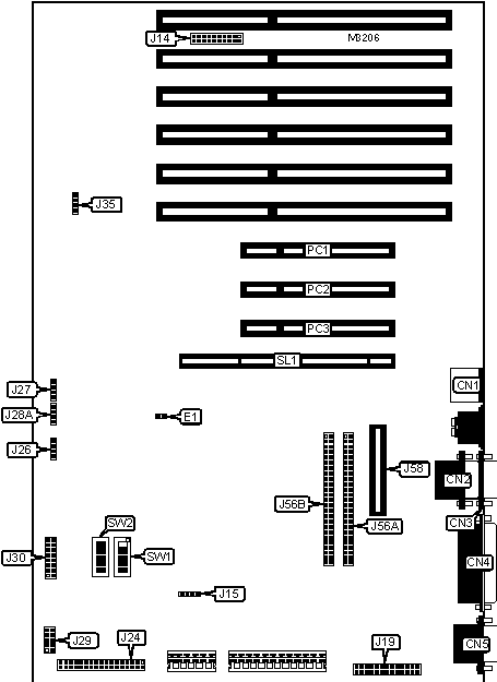
CONNECTIONS

Purpose

Location

Purpose

Location

PS/2 mouse port

CN1

Speaker

J27

Serial port

CN2

Chassis fan power

J28A

Serial port

CN3

Front panel console LED

J29

Parallel port

CN4

SCSI interface LED

J35

VGA port

CN5

Internal SCSI interface

J56A

System management interface

J14

External SCSI interface

J56B

Remote power connector

J15

XP interface board connector

J58

8514 video pass through connector

J19

32-bit PCI slots

PC1 - PC3

Floppy drive interface

J24

CPU slot

SL1

External battery

J26

   

USER CONFIGURABLE SETTINGS

Function

Jumper/Switch

Position

»

CMOS memory normal operation

E1

Open

 

CMOS memory clear

E1

Closed

»

Factory configured - do not alter

J30

N/A

»

Flash BIOS normal operation

SW1/1

Off

 

Flash BIOS force update at boot

SW1/1

On

»

Password enabled

SW1/2

Off

 

Password disabled

SW1/2

On

»

Monitor type select color

SW1/3

Off

 

Monitor type select monochrome

SW1/3

On

»

EISA CMOS memory normal operation

SW1/4

Off

 

EISA CMOS memory clear

SW1/4

On

»

Setup access enabled

SW1/5

Off

 

Setup access disabled

SW1/5

On

»

Factory configured - do not alter

SW2

N/A

CONNECTIONS

Purpose

Location

Purpose

Location

Chassis fan power

J2

Chassis fan power

J3

USER CONFIGURABLE SETTINGS

Function

Switch

Position

»

Factory configured - do not alter

SW1

N/A

DRAM CONFIGURATION

Size

Bank 0

Bank 1

Bank 2

Bank 3

16MB

(2) 2M x 36

NONE

NONE

NONE

32MB

(2) 2M x 36

(2) 2M x 36

NONE

NONE

32MB

(2) 4M x 36

NONE

NONE

NONE

48MB

(2) 4M x 36

(2) 2M x 36

NONE

NONE

64MB

(2) 2M x 36

(2) 2M x 36

(2) 4M x 36

NONE

64MB

(2) 8M x 36

NONE

NONE

NONE

80MB

(2) 2M x 36

(2) 4M x 36

(2) 4M x 36

NONE

80MB

(2) 8M x 36

(2) 2M x 36

NONE

NONE

80MB

(2) 4M x 36

(2) 2M x 36

(2) 4M x 36

NONE

96MB

(2) 2M x 36

(2) 2M x 36

(2) 4M x 36

(2) 4M x 36

96MB

(2) 2M x 36

(2) 2M x 36

(2) 8M x 36

NONE

96MB

(2) 4M x 36

(2) 4M x 36

(2) 4M x 36

NONE

112MB

(2) 2M x 36

(2) 4M x 36

(2) 4M x 36

(2) 4M x 36

112MB

(2) 2M x 36

(2) 4M x 36

(2) 8M x 36

NONE

112MB

(2) 2M x 36

(2) 8M x 36

(2) 4M x 36

NONE

112MB

(2) 8M x 36

(2) 2M x 36

(2) 4M x 36

NONE

112MB

(2) 4M x 36

(2) 2M x 36

(2) 4M x 36

(2) 4M x 36

DRAM CONFIGURATION (CON'T)

Size

Bank 0

Bank 1

Bank 2

Bank 3

112MB

(2) 4M x 36

(2) 2M x 36

(2) 8M x 36

NONE

128MB

(2) 2M x 36

(2) 2M x 36

(2) 4M x 36

(2) 8M x 36

128MB

(2) 2M x 36

(2) 2M x 36

(2) 8M x 36

(2) 4M x 36

128MB

(2) 8M x 36

(2) 4M x 36

(2) 4M x 36

NONE

128MB

(2) 4M x 36

(2) 4M x 36

(2) 4M x 36

(2) 4M x 36

128MB

(2) 4M x 36

(2) 4M x 36

(2) 8M x 36

NONE

128MB

(2) 4M x 36

(2) 8M x 36

(2) 4M x 36

NONE

144MB

(2) 2M x 36

(2) 4M x 36

(2) 4M x 36

(2) 8M x 36

144MB

(2) 2M x 36

(2) 4M x 36

(2) 8M x 36

(2) 4M x 36

144MB

(2) 2M x 36

(2) 8M x 36

(2) 4M x 36

(2) 4M x 36

144MB

(2) 2M x 36

(2) 8M x 36

(2) 8M x 36

NONE

144MB

(2) 8M x 36

(2) 2M x 36

(2) 4M x 36

(2) 4M x 36

144MB

(2) 8M x 36

(2) 2M x 36

(2) 8M x 36

NONE

144MB

(2) 4M x 36

(2) 2M x 36

(2) 4M x 36

(2) 8M x 36

144MB

(2) 4M x 36

(2) 2M x 36

(2) 8M x 36

(2) 4M x 36

160MB

(2) 2M x 36

(2) 2M x 36

(2) 8M x 36

(2) 8M x 36

160MB

(2) 8M x 36

(2) 4M x 36

(2) 4M x 36

(2) 4M x 36

160MB

(2) 8M x 36

(2) 4M x 36

(2) 8M x 36

NONE

160MB

(2) 8M x 36

(2) 8M x 36

(2) 4M x 36

NONE

160MB

(2) 4M x 36

(2) 4M x 36

(2) 4M x 36

(2) 8M x 36

160MB

(2) 4M x 36

(2) 4M x 36

(2) 8M x 36

(2) 4M x 36

160MB

(2) 4M x 36

(2) 8M x 36

(2) 4M x 36

(2) 4M x 36

160MB

(2) 4M x 36

(2) 8M x 36

(2) 8M x 36

NONE

176MB

(2) 2M x 36

(2) 4M x 36

(2) 8M x 36

(2) 8M x 36

176MB

(2) 2M x 36

(2) 8M x 36

(2) 4M x 36

(2) 8M x 36

176MB

(2) 2M x 36

(2) 8M x 36

(2) 8M x 36

(2) 4M x 36

176MB

(2) 8M x 36

(2) 2M x 36

(2) 4M x 36

(2) 8M x 36

176MB

(2) 8M x 36

(2) 2M x 36

(2) 8M x 36

(2) 4M x 36

176MB

(2) 4M x 36

(2) 2M x 36

(2) 8M x 36

(2) 8M x 36

192MB

(2) 8M x 36

(2) 4M x 36

(2) 4M x 36

(2) 8M x 36

192MB

(2) 8M x 36

(2) 4M x 36

(2) 8M x 36

(2) 4M x 36

192MB

(2) 8M x 36

(2) 8M x 36

(2) 4M x 36

(2) 4M x 36

192MB

(2) 8M x 36

(2) 8M x 36

(2) 8M x 36

NONE

192MB

(2) 4M x 36

(2) 4M x 36

(2) 8M x 36

(2) 8M x 36

192MB

(2) 4M x 36

(2) 8M x 36

(2) 4M x 36

(2) 8M x 36

192MB

(2) 4M x 36

(2) 8M x 36

(2) 8M x 36

(2) 4M x 36

208MB

(2) 2M x 36

(2) 8M x 36

(2) 8M x 36

(2) 8M x 36

208MB

(2) 8M x 36

(2) 2M x 36

(2) 8M x 36

(2) 8M x 36

224MB

(2) 8M x 36

(2) 4M x 36

(2) 8M x 36

(2) 8M x 36

224MB

(2) 8M x 36

(2) 8M x 36

(2) 4M x 36

(2) 8M x 36

224MB

(2) 8M x 36

(2) 8M x 36

(2) 8M x 36

(2) 4M x 36

224MB

(2) 4M x 36

(2) 8M x 36

(2) 8M x 36

(2) 8M x 36

256MB

(2) 8M x 36

(2) 8M x 36

(2) 8M x 36

(2) 8M x 36

CACHE CONFIGURATION

Note: 256KB cache is factory installed and is not configurable.