AST RESEARCH, INC.

MANHATTAN P PENTIUM

(202620-001, 002, 011, 012)

Processor

Pentium

Processor Speed

90/100/133MHz

Chip Set

Unidentified

Max. Onboard DRAM

256MB

Cache

256/512KB

BIOS

Unidentified

Dimensions

330mm x 218mm

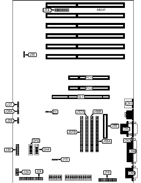
I/O Options

32-bit PCI slots (2), CPU slot, floppy drive interface, SCSI interfaces (4), parallel port, PS/2 mouse port, serial ports (2), 8514 video pass through connector, VGA port

NPU Options

None

CONNECTIONS

Purpose

Location

Purpose

Location

PS/2 mouse port

CN1

Chassis fan power

J28A

Serial port

CN2

Front panel connector

J29

Serial port

CN3

SCSI interface LED

J35

Parallel port

CN4

Internal SCSI interface channel 1

J56A

VGA port

CN5

External SCSI interface channel 1

J56B

System management interface

J14

Internal SCSI interface channel 2

J57A

Remote power connector

J15

External SCSI interface channel 2

J57B

8514 video pass through connector

J19

XP interface board connector

J58

Floppy drive interface

J24

32-bit PCI slots

PC1 & PC2

External battery

J26

CPU slot

SL1

Speaker

J27

 

 

USER CONFIGURABLE SETTINGS

Function

Jumper/Switch

Position

»

CMOS memory normal operation

E1

Open

 

CMOS memory clear

E1

Closed

»

Factory configured - do not alter

J30

N/A

»

Flash BIOS normal operation

SW1/1

Off

 

Flash BIOS force update at boot

SW1/1

On

»

Password enabled

SW1/2

Off

 

Password disabled

SW1/2

On

»

Monitor type select color

SW1/3

Off

 

Monitor type select monochrome

SW1/3

On

»

EISA CMOS memory normal operation

SW1/4

Off

 

EISA CMOS memory clear

SW1/4

On

»

Setup access enabled

SW1/5

Off

 

Setup access disabled

SW1/5

On

»

Factory configured - do not alter

SW2

N/A

CONNECTIONS

Purpose

Location

Purpose

Location

Chassis fan power

J2

Chassis fan power

J3

USER CONFIGURABLE SETTINGS

Function

Switch

Position

»

Factory configured - do not alter

SW1

N/A

DRAM CONFIGURATION

Size

Bank 0

Bank 1

Bank 2

Bank 3

16MB

(2) 2M x 36

NONE

NONE

NONE

32MB

(2) 2M x 36

(2) 2M x 36

NONE

NONE

32MB

(2) 4M x 36

NONE

NONE

NONE

48MB

(2) 4M x 36

(2) 2M x 36

NONE

NONE

64MB

(2) 2M x 36

(2) 2M x 36

(2) 4M x 36

NONE

64MB

(2) 8M x 36

NONE

NONE

NONE

80MB

(2) 2M x 36

(2) 4M x 36

(2) 4M x 36

NONE

80MB

(2) 8M x 36

(2) 2M x 36

NONE

NONE

80MB

(2) 4M x 36

(2) 2M x 36

(2) 4M x 36

NONE

96MB

(2) 2M x 36

(2) 2M x 36

(2) 4M x 36

(2) 4M x 36

96MB

(2) 2M x 36

(2) 2M x 36

(2) 8M x 36

NONE

96MB

(2) 4M x 36

(2) 4M x 36

(2) 4M x 36

NONE

112MB

(2) 2M x 36

(2) 4M x 36

(2) 4M x 36

(2) 4M x 36

112MB

(2) 2M x 36

(2) 4M x 36

(2) 8M x 36

NONE

112MB

(2) 2M x 36

(2) 8M x 36

(2) 4M x 36

NONE

112MB

(2) 8M x 36

(2) 2M x 36

(2) 4M x 36

NONE

112MB

(2) 4M x 36

(2) 2M x 36

(2) 4M x 36

(2) 4M x 36

DRAM CONFIGURATION (CON'T)

Size

Bank 0

Bank 1

Bank 2

Bank 3

112MB

(2) 4M x 36

(2) 2M x 36

(2) 8M x 36

NONE

128MB

(2) 2M x 36

(2) 2M x 36

(2) 4M x 36

(2) 8M x 36

128MB

(2) 2M x 36

(2) 2M x 36

(2) 8M x 36

(2) 4M x 36

128MB

(2) 8M x 36

(2) 4M x 36

(2) 4M x 36

NONE

128MB

(2) 4M x 36

(2) 4M x 36

(2) 4M x 36

(2) 4M x 36

128MB

(2) 4M x 36

(2) 4M x 36

(2) 8M x 36

NONE

128MB

(2) 4M x 36

(2) 8M x 36

(2) 4M x 36

NONE

144MB

(2) 2M x 36

(2) 4M x 36

(2) 4M x 36

(2) 8M x 36

144MB

(2) 2M x 36

(2) 4M x 36

(2) 8M x 36

(2) 4M x 36

144MB

(2) 2M x 36

(2) 8M x 36

(2) 4M x 36

(2) 4M x 36

144MB

(2) 2M x 36

(2) 8M x 36

(2) 8M x 36

NONE

144MB

(2) 8M x 36

(2) 2M x 36

(2) 4M x 36

(2) 4M x 36

144MB

(2) 8M x 36

(2) 2M x 36

(2) 8M x 36

NONE

144MB

(2) 4M x 36

(2) 2M x 36

(2) 4M x 36

(2) 8M x 36

144MB

(2) 4M x 36

(2) 2M x 36

(2) 8M x 36

(2) 4M x 36

160MB

(2) 2M x 36

(2) 2M x 36

(2) 8M x 36

(2) 8M x 36

160MB

(2) 8M x 36

(2) 4M x 36

(2) 4M x 36

(2) 4M x 36

160MB

(2) 8M x 36

(2) 4M x 36

(2) 8M x 36

NONE

160MB

(2) 8M x 36

(2) 8M x 36

(2) 4M x 36

NONE

160MB

(2) 4M x 36

(2) 4M x 36

(2) 4M x 36

(2) 8M x 36

160MB

(2) 4M x 36

(2) 4M x 36

(2) 8M x 36

(2) 4M x 36

160MB

(2) 4M x 36

(2) 8M x 36

(2) 4M x 36

(2) 4M x 36

160MB

(2) 4M x 36

(2) 8M x 36

(2) 8M x 36

NONE

176MB

(2) 2M x 36

(2) 4M x 36

(2) 8M x 36

(2) 8M x 36

176MB

(2) 2M x 36

(2) 8M x 36

(2) 4M x 36

(2) 8M x 36

176MB

(2) 2M x 36

(2) 8M x 36

(2) 8M x 36

(2) 4M x 36

176MB

(2) 8M x 36

(2) 2M x 36

(2) 4M x 36

(2) 8M x 36

176MB

(2) 8M x 36

(2) 2M x 36

(2) 8M x 36

(2) 4M x 36

176MB

(2) 4M x 36

(2) 2M x 36

(2) 8M x 36

(2) 8M x 36

192MB

(2) 8M x 36

(2) 4M x 36

(2) 4M x 36

(2) 8M x 36

192MB

(2) 8M x 36

(2) 4M x 36

(2) 8M x 36

(2) 4M x 36

192MB

(2) 8M x 36

(2) 8M x 36

(2) 4M x 36

(2) 4M x 36

192MB

(2) 8M x 36

(2) 8M x 36

(2) 8M x 36

NONE

192MB

(2) 4M x 36

(2) 4M x 36

(2) 8M x 36

(2) 8M x 36

192MB

(2) 4M x 36

(2) 8M x 36

(2) 4M x 36

(2) 8M x 36

192MB

(2) 4M x 36

(2) 8M x 36

(2) 8M x 36

(2) 4M x 36

208MB

(2) 2M x 36

(2) 8M x 36

(2) 8M x 36

(2) 8M x 36

208MB

(2) 8M x 36

(2) 2M x 36

(2) 8M x 36

(2) 8M x 36

224MB

(2) 8M x 36

(2) 4M x 36

(2) 8M x 36

(2) 8M x 36

224MB

(2) 8M x 36

(2) 8M x 36

(2) 4M x 36

(2) 8M x 36

224MB

(2) 8M x 36

(2) 8M x 36

(2) 8M x 36

(2) 4M x 36

224MB

(2) 4M x 36

(2) 8M x 36

(2) 8M x 36

(2) 8M x 36

256MB

(2) 8M x 36

(2) 8M x 36

(2) 8M x 36

(2) 8M x 36

CACHE CONFIGURATION

Note: 256/512KB cache is factory installed and is not configurable. 256KB on 90MHz board & 512KB on 100MHz board

VIDEO MEMORY CONFIGURATION

512KB is factory installed and is not configurable.

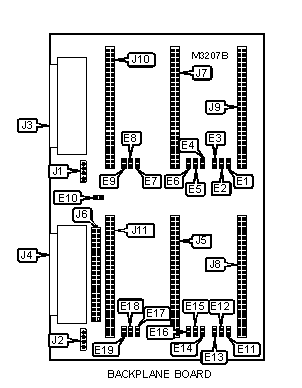
CONNECTIONS

Purpose

Location

Purpose

Location

Power connector

J1

SCSI drive tray connector

J7

Power connector

J2

SCSI drive tray connector

J8

SCSI cable connector (J7, J9, J10)

J3

SCSI drive tray connector

J9

SCSI cable connector (J5, J8, J11)

J4

SCSI drive tray connector

J10

SCSI drive tray connector

J5

SCSI drive tray connector

J11

SCSI CHAIN CONFIGURATION

Setting

E10

J6

Single chain

Open

Closed

Double chain

Closed

Open

SCSI ID CONFIGURATION (J9 DRIVE)

ID

E1

E2

E3

0

Open

Open

Open

1

Closed

Open

Open

2

Open

Closed

Open

3

Open

Closed

Closed

4

Closed

Open

Open

5

Closed

Open

Closed

6

Closed

Closed

Open

7

Closed

Closed

Closed

SCSI ID CONFIGURATION (J7 DRIVE)

ID

E4

E5

E6

0

Open

Open

Open

1

Closed

Open

Open

2

Open

Closed

Open

3

Open

Closed

Closed

4

Closed

Open

Open

5

Closed

Open

Closed

6

Closed

Closed

Open

7

Closed

Closed

Closed

SCSI ID CONFIGURATION (J10 DRIVE)

ID

E7

E8

E9

0

Open

Open

Open

1

Closed

Open

Open

2

Open

Closed

Open

3

Open

Closed

Closed

4

Closed

Open

Open

5

Closed

Open

Closed

6

Closed

Closed

Open

7

Closed

Closed

Closed

SCSI ID CONFIGURATION (J8 DRIVE)

ID

E11

E12

E13

0

Open

Open

Open

1

Closed

Open

Open

2

Open

Closed

Open

3

Open

Closed

Closed

4

Closed

Open

Open

5

Closed

Open

Closed

6

Closed

Closed

Open

7

Closed

Closed

Closed

SCSI ID CONFIGURATION (J5 DRIVE)

ID

e14

e15

e16

0

Open

Open

Open

1

Closed

Open

Open

2

Open

Closed

Open

3

Open

Closed

Closed

4

Closed

Open

Open

5

Closed

Open

Closed

6

Closed

Closed

Open

7

Closed

Closed

Closed

SCSI ID CONFIGURATION (J11 DRIVE)

ID

e17

e18

e19

0

Open

Open

Open

1

Closed

Open

Open

2

Open

Closed

Open

3

Open

Closed

Closed

4

Closed

Open

Open

5

Closed

Open

Closed

6

Closed

Closed

Open

7

Closed

Closed

Closed