ACER, INC.

ACERALTOS 9000V (M9A), M9A

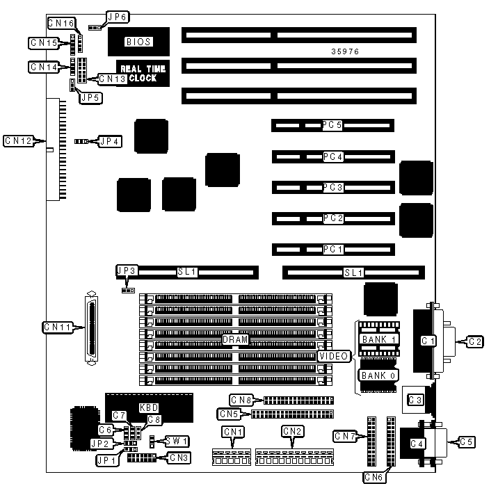
Device Type

Mainboard

Processor

Pentium

Processor Speed

100/120/133/150/166/200MHz

Chip Set

Unidentified

Video Chip Set

ATI

Maximum Onboard Memory

128MB (EDO supported)

Maximum Video Memory

2MB

Cache

512KB

BIOS

Acer

Dimensions

305mm x 244mm

I/O Options

32-bit PCI slots (5), green PC connector, floppy drive interface, IDE interface, SCSI interface, SCSI-2 interface, parallel port, PS/2 mouse port, serial ports (2), VGA port, CPU slot

CONNECTIONS

Purpose

Location

Purpose

Location

Parallel port

C1

RDM connector

CN6

VGA port

C2

RDM connector

CN7

PS/2 mouse port

C3

Floppy drive interface

CN8

Serial port 1

C4

Wide SCSI interface

CN11

Serial port 2

C5

SCSI-2 interface

CN12

Chassis fan power

C6

LED board connector

CN13

Chassis fan power

C7

IDE interface LED

CN14

Chassis fan power

C8

Power LED & keylock

CN15

3.3v power

CN1

Speaker

CN16

5v power

CN2

32-bit PCI slots

PC1 - PC5

Backplane status LED

CN3

Green PC connector

SW1

IDE interface

CN5

CPU slot

SL1

USER CONFIGURABLE SETTINGS

Function

Label

Position

 

Password enabled

JP1

Pins 1 & 2 closed

 

Password disabled

JP1

Pins 2 & 3 closed

 

BIOS type select Acer

JP2

Pins 1 & 2 closed

 

BIOS type select OEM

JP2

Pins 2 & 3 closed

 

Termination enabled

JP3

Pins 1 & 2 closed

 

Termination switchable through SCSI select utility

JP3

Pins 2 & 3 closed

»

SCSI select standard

JP4

Pins 2 & 3 closed

 

SCSI select wide

JP4

Pins 1 & 2 closed

 

Front panel reset enabled

JP5

Pins 1 & 2 closed

 

Front panel reset disabled

JP5

Pins 2 & 3 closed

 

Buzzer enabled

JP6

Pins 1 & 2 closed

 

External speaker enabled

JP6

Pins 2 & 3 closed

SIMM CONFIGURATION

Size

Bank 0

Bank 1

Bank 2

Bank 3

8MB

(2) 1M x 36

None

None

None

16MB

(2) 2M x 36

None

None

None

16MB

(2) 1M x 36

(2) 1M x 36

None

None

24MB

(2) 2M x 36

(2) 1M x 36

None

None

24MB

(2) 1M x 36

(2) 1M x 36

(2) 1M x 36

None

32MB

(2) 4M x 36

None

None

None

32MB

(2) 2M x 36

(2) 2M x 36

None

None

32MB

(2) 1M x 36

(2) 1M x 36

(2) 1M x 36

(2) 1M x 36

48MB

(2) 2M x 36

(2) 2M x 36

(2) 2M x 36

None

64MB

(2) 2M x 36

(2) 2M x 36

(2) 2M x 36

(2) 2M x 36

SIMM CONFIGURATION (CON'T)

Size

Bank 0

Bank 1

Bank 2

Bank 3

64MB

(2) 8M x 36

None

None

None

64MB

(2) 4M x 36

(2) 4M x 36

None

None

72MB

(2) 8M x 36

(2) 1M x 36

None

None

80MB

(2) 8M x 36

(2) 2M x 36

None

None

96MB

(2) 8M x 36

(2) 4M x 36

None

None

96MB

(2) 4M x 36

(2) 4M x 36

(2) 4M x 36

None

128MB

(2) 16M x 36

None

None

None

128MB

(2) 8M x 36

(2) 8M x 36

None

None

128MB

(2) 4M x 36

(2) 4M x 36

(2) 4M x 36

(2) 4M x 36

136MB

(2) 16M x 36

(2) 1M x 36

None

None

144MB

(2) 16M x 36

(2) 2M x 36

None

None

160MB

(2) 16M x 36

(2) 4M x 36

None

None

192MB

(2) 16M x 36

(2) 8M x 36

None

None

192MB

(2) 8M x 36

(2) 8M x 36

(2) 8M x 36

None

224MB

(2) 16M x 36

(2) 4M x 36

(2) 4M x 36

(2) 4M x 36

256MB

(2) 16M x 36

(2) 16M x 36

None

None

256MB

(2) 8M x 36

(2) 8M x 36

(2) 8M x 36

(2) 8M x 36

Note: Board accepts EDO memory.

CACHE CONFIGURATION

Note: The location of the cache is unidentified.

VIDEO MEMORY CONFIGURATION

Size

Bank 0

Bank 1

1MB

(2) 256K x 16

None

2MB

(2) 256K x 16

(2) 256K x 16

CONNECTIONS

Purpose

Location

Purpose

Location

CPU fan power

C1

CPU fan power

C2

CPU SPEED SELECTION

CPU speed

Clock speed

Multiplier

JP1

JP2

JP5

100MHz

66MHz

1.5x

2 & 3

2 & 3

3 & 4

120MHz

60MHz

2x

2 & 3

1 & 2

2 & 3

133MHz

66MHz

2x

2 & 3

1 & 2

3 & 4

150MHz

60MHz

2.5x

1 & 2

1 & 2

2 & 3

166MHz

66MHz

2.5x

1 & 2

1 & 2

3 & 4

200MHz

66MHz

3x

1 & 2

2 & 3

3 & 4

Note: Pins designated should be in the closed position..

CPU VOLTAGE SELECTION

Voltage

JP4

VR

Pins 1 & 2 closed

VRE

Pins 2 & 3 closed