DIAMOND FLOWER, INC.

586IXTD (REV. D+)

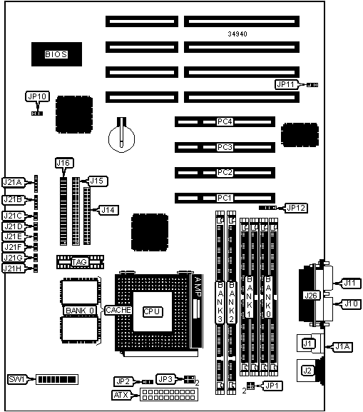
Device Type

Mainboard

Processor

CX 6X86L/IBM 6X86L/CX 686MX/IBM 6X86MX/AM K5/AM K6/Pentium

Processor Speed

90/100/120/133/150/166/200/233MHz

Chip Set

Intel

Video Chip Set

None

Maximum Onboard Memory

256MB (EDO & SDRAM supported)

Maximum Video Memory

None

Cache

512KB

BIOS

Award

Dimensions

305mm x 244mm

I/O Options

32-bit PCI slots (4), floppy drive interface, green PC connector, IDE interfaces (2), parallel port, PS/2 mouse port, serial ports (2), IR connector, USB connectors (2), ATX power connector

NPU Options

None

CONNECTIONS

Purpose

Location

Purpose

Location

ATX power connector

ATX

Reset switch

J21C

USB connector 1

J1

Green PC connector

J21D

USB connector 2

J1A

Soft off power supply

J21E

PS/2 mouse port

J2

Green PC LED

J21F

Serial port 2

J10

IDE interface LED

J21G

Serial port 1

J11

ATX power supply LED

J21H

Floppy drive interface

J14

Parallel port

J26

IDE interface 2

J15

CPU fan power

JP2

IDE interface 1

J16

IR connector

JP12

Power LED & keylock

J21A

32-bit PCI slots

PC1 - PC4

Speaker

J21B

   

USER CONFIGURABLE SETTINGS

Function

Label

Position

»

Factory configured - do not alter

JP1

Pins 1 & 2 closed

»

CMOS memory normal operation

JP10

Pins 2 & 3 closed

 

CMOS memory clear

JP10

Pins 1 & 2 closed

SIMM CONFIGURATION

Size

Bank 0

Bank 1

8MB

(2) 1M x 36

None

16MB

(2) 2M x 36

None

16MB

(2) 1M x 36

(2) 1M x 36

24MB

(2) 2M x 36

(2) 1M x 36

32MB

(2) 4M x 36

None

32MB

(2) 2M x 36

(2) 2M x 36

40MB

(2) 4M x 36

(2) 1M x 36

48MB

(2) 4M x 36

(2) 2M x 36

64MB

(2) 8M x 36

None

64MB

(2) 4M x 36

(2) 4M x 36

72MB

(2) 8M x 36

(2) 1M x 36

80MB

(2) 8M x 36

(2) 2M x 36

96MB

(2) 8M x 36

(2) 4M x 36

128MB

(2) 8M x 36

(2) 8M x 36

128MB

(2) 16M x 36

None

136MB

(2) 16M x 36

(2) 1M x 36

SIMM CONFIGURATION (CON’T)

Size

Bank 0

Bank 1

144MB

(2) 16M x 36

(2) 2M x 36

160MB

(2) 16M x 36

(2) 4M x 36

192MB

(2) 16M x 36

(2) 8M x 36

256MB

(2) 16M x 36

(2) 16M x 36

Note: Board accepts EDO memory.

DIMM CONFIGURATION

Size

Bank 2

Bank 3

8MB

(1) 1M x 64

None

16MB

(1) 2M x 64

None

16MB

(1) 1M x 64

(1) 1M x 64

24MB

(1) 2M x 64

(1) 1M x 64

32MB

(1) 4M x 64

None

32MB

(1) 2M x 64

(1) 2M x 64

40MB

(1) 4M x 64

(1) 1M x 64

48MB

(1) 4M x 64

(1) 2M x 64

64MB

(1) 8M x 64

None

64MB

(1) 4M x 64

(1) 4M x 64

72MB

(1) 8M x 64

(1) 1M x 64

80MB

(1) 8M x 64

(1) 2M x 64

96MB

(1) 8M x 64

(1) 4M x 64

128MB

(1) 16M x 64

None

128MB

(1) 8M x 64

(1) 8M x 64

136MB

(1) 16M x 64

(1) 1M x 64

144MB

(1) 16M x 64

(1) 2M x 64

160MB

(1) 16M x 64

(1) 4M x 64

192MB

(1) 16M x 64

(1) 8M x 64

256MB

(1) 16M x 64

(1) 16M x 64

Note: Board accepts SDRAM memory.

CACHE CONFIGURATION

Size

Bank 0

TAG

512KB

(2) 64K x 32

Unidentified

CPU SPEED SELECTION (CX 6X86L)

CPU speed

Clock speed

Multiplier

JP3

SW1/1

SW1/2

SW1/3

SW1/4

150MHz

60MHz

2x

3 & 4

On

Off

On

Off

166MHz

66MHz

2x

3 & 4

Off

Off

On

Off

200MHz

75MHz

2x

3 & 4

Off

On

On

Off

Note: Pins designated should be in the closed position.

CPU SPEED SELECTION (CX 6X86L, CON’T)

CPU speed

Clock speed

Multiplier

SW1/5

SW1/6

SW1/7

SW1/8

SW1/9

150MHz

60MHz

2x

Off

On

Off

Off

On

166MHz

66MHz

2x

Off

On

Off

Off

On

200MHz

75MHz

2x

Off

On

Off

Off

On

CPU SPEED SELECTION (IBM 6X86L)

CPU speed

Clock speed

Multiplier

JP3

SW1/1

SW1/2

SW1/3

SW1/4

150MHz

60MHz

2x

3 & 4

On

Off

On

Off

166MHz

66MHz

2x

3 & 4

Off

Off

On

Off

200MHz

75MHz

2x

3 & 4

Off

On

On

Off

Note: Pins designated should be in the closed position.

CPU SPEED SELECTION (IBM 6X86L, CON’T)

CPU speed

Clock speed

Multiplier

SW1/5

SW1/6

SW1/7

SW1/8

SW1/9

150MHz

60MHz

2x

Off

On

Off

Off

On

166MHz

66MHz

2x

Off

On

Off

Off

On

200MHz

75MHz

2x

Off

On

Off

Off

On

CPU SPEED SELECTION (CX 6X86MX)

CPU speed

Clock speed

Multiplier

JP3

SW1/1

SW1/2

SW1/3

SW1/4

166MHz

60MHz

2x

3 & 4

On

Off

On

On

200MHz

66MHz

2x

3 & 4

Off

Off

On

On

200MHz

75MHz

2x

3 & 4

Off

On

On

Off

Note: Pins designated should be in the closed position.

CPU SPEED SELECTION (CX 6X86MX, CON’T)

CPU speed

Clock speed

Multiplier

SW1/5

SW1/6

SW1/7

SW1/8

SW1/9

166MHz

60MHz

2x

Off

On

Off

Off

On

200MHz

66MHz

2x

Off

On

Off

Off

On

200MHz

75MHz

2x

Off

On

Off

Off

On

CPU SPEED SELECTION (IBM 6X86MX)

CPU speed

Clock speed

Multiplier

JP3

SW1/1

SW1/2

SW1/3

SW1/4

166MHz

60MHz

2x

3 & 4

On

Off

On

On

200MHz

66MHz

2x

3 & 4

On

On

Off

Off

200MHz

75MHz

2x

3 & 4

Off

On

On

Off

Note: Pins designated should be in the closed position.

CPU SPEED SELECTION (IBM 6X86MX, CON’T)

CPU speed

Clock speed

Multiplier

SW1/5

SW1/6

SW1/7

SW1/8

SW1/9

166MHz

60MHz

2x

Off

On

Off

Off

On

200MHz

66MHz

2x

Off

On

Off

Off

On

200MHz

75MHz

2x

Off

On

Off

Off

On

Note: Pins designated should be in the closed position.

CPU SPEED SELECTION (AM K5)

CPU speed

Clock speed

Multiplier

JP3

SW1/1

SW1/2

SW1/3

SW1/4

90MHz

60MHz

1.5x

5 & 6

On

Off

Off

Off

100MHz

66MHz

1.5x

5 & 6

Off

Off

Off

Off

120MHz

60MHz

2x

5 & 6

On

Off

Off

Off

133MHz

66MHz

2x

5 & 6

Off

Off

Off

Off

166MHz

66MHz

2.5x

5 & 6

Off

Off

On

On

Note: Pins designated should be in the closed position.

CPU SPEED SELECTION (AM K5, CON’T)

CPU speed

Clock speed

Multiplier

SW1/5

SW1/6

SW1/7

SW1/8

SW1/9

90MHz

60MHz

1.5x

Off

On

On

On

On

100MHz

66MHz

1.5x

Off

On

On

On

On

120MHz

60MHz

2x

Off

On

On

On

On

133MHz

66MHz

2x

Off

On

On

On

On

166MHz

66MHz

2.5x

Off

On

On

On

On

Note: Pins designated should be in the closed position.

CPU SPEED SELECTION (AM K6)

CPU speed

Clock speed

Multiplier

JP3

SW1/1

SW1/2

SW1/3

SW1/4

166MHz

66MHz

2.5x

3 & 4

Off

Off

On

On

200MHz

66MHz

3x

3 & 4

Off

Off

Off

On

233MHz A

66MHz

3.5x

3 & 4

Off

Off

Off

Off

233MHz B

66MHz

3.5x

3 & 4

Off

Off

Off

Off

233MHz C

66MHz

3.5x

3 & 4

Off

Off

Off

Off

266MHz D

66MHz

4x

3 & 4

Off

Off

On

Off

266MHz E

66MHz

4x

3 & 4

Off

Off

On

Off

Note: Pins designated should be in the closed position. A = 3.2v, B = 2.2v, C = 2.1v, D = 2.2v, E = 2.1v.

CPU SPEED SELECTION (AM K6, CON’T)

CPU speed

Clock speed

Multiplier

SW1/5

SW1/6

SW1/7

SW1/8

SW1/9

166MHz

66MHz

2.5x

Off

On

Off

Off

On

200MHz

66MHz

3x

Off

On

Off

Off

On

233MHz A

66MHz

3.5x

Off

Off

Off

On

On

233MHz B

66MHz

3.5x

Off

Off

On

Off

Off

233MHz C

66MHz

3.5x

Off

On

Off

Off

Off

266MHz D

66MHz

4x

On

Off

On

Off

Off

266MHz E

66MHz

4x

On

On

Off

Off

Off

CPU SPEED SELECTION (INTEL)

CPU speed

Clock speed

Multiplier

JP3

SW1/1

SW1/2

SW1/3

SW1/4

90MHz

60MHz

1.5x

5 & 6

On

Off

Off

Off

100MHz

66MHz

1.5x

5 & 6

Off

Off

Off

Off

120MHz

60MHz

2x

5 & 6

On

Off

On

Off

133MHz

66MHz

2x

5 & 6

Off

Off

On

Off

150MHz

60MHz

2.5x

5 & 6

On

Off

On

On

166MHz

66MHz

2.5x

5 & 6

Off

Off

On

On

200MHz

66MHz

3x

5 & 6

Off

Off

Off

On

Note: Pins designated should be in the closed position.

CPU SPEED SELECTION (INTEL, CON’T)

CPU speed

Clock speed

Multiplier

SW1/5

SW1/6

SW1/7

SW1/8

SW1/9

90MHz

60MHz

1.5x

Off

On

On

On

On

100MHz

66MHz

1.5x

Off

On

On

On

On

120MHz

60MHz

2x

Off

On

On

On

On

133MHz

66MHz

2x

Off

On

On

On

On

150MHz

60MHz

2.5x

Off

On

On

On

On

166MHz

66MHz

2.5x

Off

On

On

On

On

200MHz

66MHz

3x

Off

On

On

On

On

CPU SPEED SELECTION (INTEL MMX)

CPU speed

Clock speed

Multiplier

JP3

SW1/1

SW1/2

SW1/3

SW1/4

166MHz

66MHz

2.5x

3 & 4

Off

Off

On

On

200MHz

66MHz

3x

3 & 4

Off

Off

Off

On

233MHz

66MHz

3.5x

3 & 4

Off

Off

Off

Off

Note: Pins designated should be in the closed position.

CPU SPEED SELECTION (INTEL MMX, CON’T)

CPU speed

Clock speed

Multiplier

SW1/5

SW1/6

SW1/7

SW1/8

SW1/9

166MHz

66MHz

2.5x

Off

Off

Off

Off

On

200MHz

66MHz

3x

Off

Off

Off

Off

On

233MHz

66MHz

3.5x

Off

Off

Off

Off

On

MODEM ON RING SELECTION

Setting

JP11

On COM1

Pins 1 & 2 closed

On COM2

Pins 2 & 3 closed

Diabled

Open