IBM CORPORATION

PS/2 MODEL 60

Processor

80286

Processor Speed

10MHz

Chip Set

None

Max. Onboard DRAM

4MB

Cache

None

BIOS

IBM

Dimensions

330.2mm x 218.4mm

I/O Options

Serial port, parallel port, pointing device connector, video port

floppy drive interface, hard drive interface slot, video expansion slot

NPU Options

80287

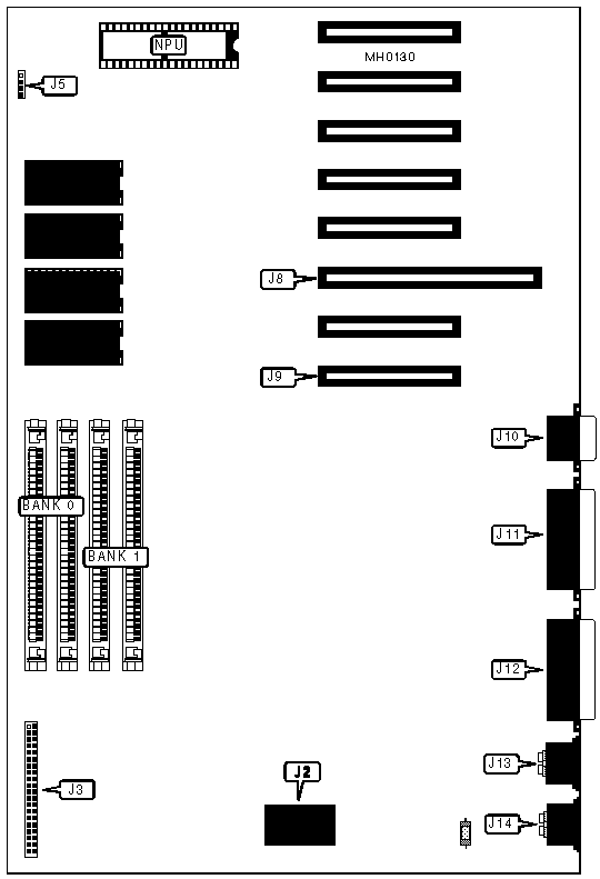
CONNECTIONS

Purpose

Location

Purpose

Location

Power supply

J2

Video port

J10

Floppy drive

J3

Serial port

J11

Battery/speaker

J5

Parallel port

J12

Video expansion slot

J8

Pointing device

J13

Hard drive interface slot

J9

Keyboard

J14

DRAM CONFIGURATION

Size

Bank 0

Bank 1

1MB

(2) 256K x 9

(2) 256K x 9

2MB

(2) 1M x 9

NONE

2.5MB

(2) 256K x 9

(2) 1M x 9

4MB

(2) 1M x 9

(2) 1M x 9

Note:Onboard memory does not have to be full in order to utilize memory expansion cards.

Memory configurations are unverified.