JOY SYSTEMS, INC.

JOY 286-12

Processor

80286

Processor Speed

12MHz

Chip Set

None

Max. Onboard DRAM

1MB

Cache

None

BIOS

AMI

Dimensions

330mm x 218mm

I/O Options

None

NPU Options

80287

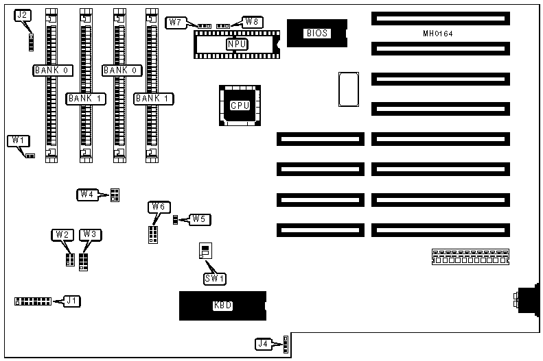
CONNECTIONS

Purpose

Location

Purpose

Location

Power LED (+5V)

J1 pin 1

Keylock

J1 pin 7

Slow LED (+5V)

J1 pin 2

VCC

J1 pin 11

Fast LED (-5V)

J1 pin 3

Speaker

J2

Reset switch

J1 pin 6

External battery

J4

GND

J1 pins 5, 8, 9, 15, & 16

   

USER CONFIGURABLE SETTINGS

Function

Jumper/Switch

Position

»

Monitor type select monochrome

SW1/1

Open

 

Monitor type select color

SW1/1

Closed

»

Factory configured - do not alter

W1

N/A

»

8-bit bus slot access 6 wait states

W2

pins 5 & 6 closed

 

8-bit bus slot access 5 wait states

W2

pins 3 & 4 closed

 

8-bit bus slot access 4 wait states

W2

pins 1 & 2 closed

»

16-bit bus slot access 2 wait states

W3

pins 5 & 6 closed

 

16-bit bus slot access 1 wait states

W3

pins 7 & 8 closed

 

16-bit bus slot access 3 wait states

W3

pins 3 & 4 closed

 

16-bit bus slot access 4 wait states

W3

pins 1 & 2 closed

»

Factory configured - do not alter

W4

N/A

»

Factory configured - do not alter

W5

N/A

»

Factory configured - do not alter

W6

pins 1 & 2 open

»

Factory configured - do not alter

W6

pins 5 & 6 open

»

Factory configured - do not alter

W6

pins 7 & 8 closed

»

Factory configured - do not alter

W7

pins 2 & 3 closed

»

Factory configured - do not alter

W8

pins 2 & 3 closed

DRAM CONFIGURATION

Size

Bank 0

Bank 1

512KB

(2) 256K x 9

NONE

1MB

(2) 256K x 9

(2) 256K x 9

DRAM JUMPER CONFIGURATION

Size

W6

512KB

pins 3 & 4 closed

1MB

pins 3 & 4 open