INTEL CORPORATION
PR440FX
|
Processor |
Pentium Pro |
|
Processor Speed |
200MHz |
|
Chip Set |
Intel |
|
Video Chip Set |
None |
|
Maximum Onboard Memory |
512MB (EDO supported) |
|
Maximum Video Memory |
None |
|
Cache |
256/512KB (located on Pentium Pro CPU) |
|
BIOS |
Intel |
|
Dimensions |
288mm x 282mm |
|
I/O Options |
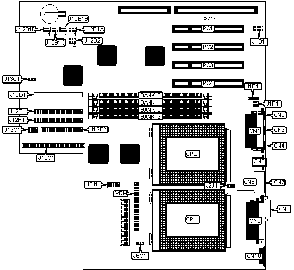
32-bit PCI slots (4), CD-ROM interface, Ethernet 10BaseT connector, floppy drive interface, green PC connector, IDE interfaces (2), SCSI interface, parallel port, PS/2 mouse port, serial ports (2), IR connector, VRM connector, USB connectors (2), telephony connector, wavetable connector, audio out connector, microphone in connector, MIDI/game port, audio in connector, soft off power supply, card slot fan |
|
NPU Options |
None |
|
CONNECTIONS | |||
|
Purpose |
Location |
Purpose |
Location |
|
MIDI/ game port |
CN1 |
SCSI interface |
J12D1 |
|
Microphone in connector |
CN2 |
IDE interface 1 |
J12E1 |
|
Audio in connector |
CN3 |
IDE interface 2 |
J12F1 |
|
Audio out connector |
CN4 |
Floppy drive interface |
J12F2 |
|
Ethernet 10BaseT connector |
CN5 |
Front panel power switch |
J12G1 pins 1 & 2 |
|
USB connector |
CN6 |
Green PC connector |
J12G1 pins 3 & 4 |
|
USB connector |
CN7 |
IR connector |
J12G1 pins 6 - 11 |
|
Serial port 1 |
CN8 |
IDE interface LED |
J12G1 pins 13 - 16 |
|
Parallel port |
CN9 |
Power LED |
J12G1 pins 18 - 20 |
|
PS/2 mouse port |
CN10 |
Reset switch |
J12G1 pins 22 - 23 |
|
Wavetable connector |
J1B1 |
Speaker |
J12G1 pins 24 - 27 |
|
CD-ROM connector |
J1E1 |
Card slot fan |
J13C1 |
|
Telephony connector |
J1F1 |
SCSI front panel LED connector |
J13G1 |
|
Chassis fan power 2 |
J2J1 |
32-bit PCI slots |
PC1 - PC4 |
|
Chassis fan power 1 |
J6M1 |
VRM connector |
VRM |
|
Serial port 2 |
J8J1 | ||
|
USER CONFIGURABLE SETTINGS | |||
|
Function |
Label |
Position | |
|
» |
Setup access enabled |
J12B1A |
Pins 2 & 3 closed |
|
Setup access disabled |
J12B1A |
Pins 1 & 2 closed | |
|
» |
Flash BIOS normal operation |
J12B1A |
Pins 5 & 6 closed |
|
Flash BIOS recovery mode |
J12B1A |
Pins 4 & 5 closed | |
|
» |
CMOS memory normal operation |
J12B1B |
Pins 2 & 3 closed |
|
CMOS memory clear |
J12B1B |
Pins 1 & 2 closed | |
|
» |
Password enabled |
J12B1B |
Pins 5 & 6 closed |
|
Password disabled |
J12B1B |
Pins 4 & 5 closed | |
|
DIMM CONFIGURATION | ||||
|
Size |
Bank 0 |
Bank 1 |
Bank 2 |
Bank 3 |
|
16MB |
(1) 2M x 64 |
None |
None |
None |
|
32MB |
(1) 2M x 64 |
(1) 2M x 64 |
None |
None |
|
32MB |
(1) 4M x 64 |
None |
None |
None |
|
48MB |
(1) 2M x 64 |
(1) 2M x 64 |
(1) 2M x 64 |
None |
|
64MB |
(1) 2M x 64 |
(1) 2M x 64 |
(1) 2M x 64 |
(1) 2M x 64 |
|
64MB |
(1) 4M x 64 |
(1) 4M x 64 |
None |
None |
|
64MB |
(1) 8M x 64 |
None |
None |
None |
|
96MB |
(1) 4M x 64 |
(1) 4M x 64 |
(1) 4M x 64 |
None |
|
128MB |
(1) 4M x 64 |
(1) 4M x 64 |
(1) 4M x 64 |
(1) 4M x 64 |
|
128MB |
(1) 8M x 64 |
(1) 8M x 64 |
None |
None |
|
128MB |
(1) 16M x 64 |
None |
None |
None |
|
192MB |
(1) 8M x 64 |
(1) 8M x 64 |
(1) 8M x 64 |
None |
|
DIMM CONFIGURATION (CON’T) | ||||
|
Size |
Bank 0 |
Bank 1 |
Bank 2 |
Bank 3 |
|
256MB |
(1) 8M x 64 |
(1) 8M x 64 |
(1) 8M x 64 |
(1) 8M x 64 |
|
256MB |
(1) 16M x 64 |
(1) 16M x 64 |
None |
None |
|
384MB |
(1) 16M x 64 |
(1) 16M x 64 |
(1) 16M x 64 |
None |
|
512MB |
(1) 16M x 64 |
(1) 16M x 64 |
(1) 16M x 64 |
(1) 16M x 64 |
|
Note: Board accepts EDO memory. | ||||
|
DIMM SPEED CONFIGURATION | ||
|
Speed |
J12B2 | |
| » |
60ns |
Pins 2 & 3 closed |
|
50ns |
Pins 1 & 2 closed | |
|
CACHE CONFIGURATION |
|
Note: 256KB or 512KB cache is located on the Pentium Pro CPU. |
|
CPU SPEED SELECTION | ||||
|
CPU speed |
Clock speed |
Multiplier |
J12B1C |
J12B1D |
|
200MHz |
66MHz |
3x |
2 & 3, 5 & 6 |
2 & 3, 5 & 6 |
|
Note: Pins designated should be in the closed position. | ||||