INTEL CORPORATION

PD440FX

Processor

Pentium II

Processor Speed

233/266MHz

Chip Set

Intel

Video Chip Set

None

Maximum Onboard Memory

256MB (EDO supported)

Maximum Video Memory

None

Cache

256/512KB

BIOS

AMI/Intel

Dimensions

288mm x 237mm

I/O Options

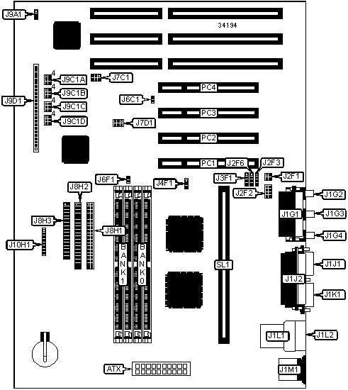
32-bit PCI slots (4), CD-ROM audio interface, floppy drive interface, game/MIDI port, green PC connector, IDE interfaces (2), parallel port, PS/2 mouse port, serial ports (2), CPU slot, IR connector, USB connectors (2), ATX power connector, telephony connectors (2), line in connectors (2), line out connector, microphone connector, wavetable connector, Yamaha wave table connectors (2)

NPU Options

None

CONNECTIONS

Purpose

Location

Purpose

Location

ATX power connector

ATX

IDE interface LED

J6F1

Game/MIDI port

J1G1

Yamaha wavetable connector

J7C1

Microphone connector

J1G2

Yamaha wavetable connector

J7D1

Line in connector

J1G3

IDE interface 1

J8H1

Line out connector

J1G4

IDE interface 2

J8H2

Serial port 2

J1J1

Floppy drive interface

J8H3

Parallel port

J1J2

Chassis fan power

J9A1

Serial port 1

J1K1

Soft off power

J9D1 pins 1 & 2

USB connector 1

J1L1

Green PC connector

J9D1 pins 3 & 4

USB connector 2

J1L2

IR connector

J9D1 pins 6 - 11

PS/2 mouse port

J1M1

IDE interface LED

J9D1 pins 13 - 16

Telephony connector

J2F1

Green PC LED

J9D1 pins 18 - 20

Wavetable connector

J2F2

Reset switch

J9D1 pins 22 &23

Telephony connector

J2F3

Speaker

J9D1 pins 24 - 27

CD-ROM audio connector

J2F6

GP I/O connector

J10H1

Line in connector

J3F1

32-bit PCI slots

PC1 – PC4

Chassis fan power

J4F1

Slot 1 processor connector

SL1

Chassis security connector

J6C1

   

USER CONFIGURABLE SETTINGS

Function

Label

Position

»

Flash BIOS normal operation

J9C1A

Pins 5 & 6 closed

 

Flash BIOS recovery mode

J9C1A

Pins 4 & 5 closed

»

CMOS memory normal operation

J9C1C

Pins 5 & 6 closed

 

CMOS memory clear

J9C1C

Pins 4 & 5 closed

»

Password enabled

J9C1D

Pins 1 & 2 closed

 

Password disabled

J9C1D

Pins 2 & 3 closed

»

Flash BIOS write protect disabled

J9C1D

Pins 5 & 6 closed

 

Flash BIOS write protect enabled

J9C1D

Pins 4 & 5 closed

DRAM CONFIGURATION

Size

Bank 0

Bank 1

8MB

(2) 1M x 36

None

16MB

(2) 2M x 36

None

16MB

(2) 1M x 36

(2) 1M x 36

24MB

(2) 2M x 36

(2) 1M x 36

32MB

(2) 4M x 36

None

32MB

(2) 2M x 36

(2) 2M x 36

40MB

(2) 4M x 36

(2) 1M x 36

48MB

(2) 4M x 36

(2) 2M x 36

64MB

(2) 8M x 36

None

64MB

(2) 4M x 36

(2) 4M x 36

DRAM CONFIGURATION (CON’T)

Size

Bank 0

Bank 1

72MB

(2) 8M x 36

(2) 1M x 36

80MB

(2) 8M x 36

(2) 2M x 36

96MB

(2) 8M x 36

(2) 4M x 36

128MB

(2) 8M x 36

(2) 8M x 36

128MB

(2) 16M x 36

None

136MB

(2) 16M x 36

(2) 1M x 36

144MB

(2) 16M x 36

(2) 2M x 36

160MB

(2) 16M x 36

(2) 4M x 36

192MB

(2) 16M x 36

(2) 8M x 36

256MB

(2) 16M x 36

(2) 16M x 36

Note: Board accepts EDO memory. Board also accepts x 32 SIMMs.

CACHE CONFIGURATION

Note: The location of the 256KB/512KB cache is unidentified.

CPU SPEED SELECTION

CPU speed

Clock speed

Multiplier

J9C1A

J9C1B

J9C1C

233MHz

66MHz

3.5x

2 & 3

2 & 3, 5 & 6

2 & 3

266MHz

66MHz

4x

1 & 2

1 & 2, 4 & 5

2 & 3

Note: Pins designated should be in the closed position.