IBM CORPORATION

APTIVA 2142 TYPE A-1

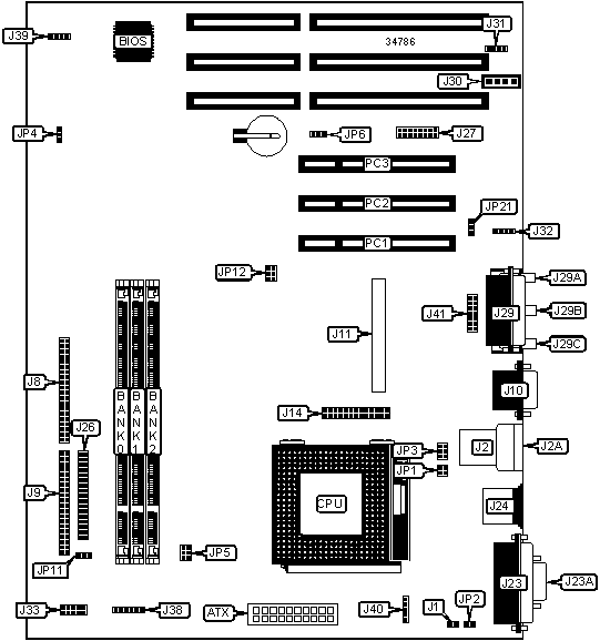
Device Type

Mainboard

Processor

Pentium

Processor Speed

166/200/233MHz

Chip Set

Unidentified

Video Chip Set

Trident

Maximum Onboard Memory

384MB (SDRAM supported)

Maximum Video Memory

4MB (SGRAM supported)

Cache

512KB

BIOS

Unidentified

Dimensions

305mm x 244mm

I/O Options

32-bit PCI slots (3), floppy drive interface, game/MIDI port, IDE interfaces (2), parallel port, PS/2 mouse port, serial ports (2), VGA feature connector, VGA port, IR connector, USB connectors (2), ATX power connector, line in, line out, microphone in, audio in – CD/DVD-ROM

NPU Options

None

CONNECTIONS

Purpose

Location

Purpose

Location

ATX power connector

ATX

AC-3 connector

J27

Chassis fan power

J1

Game/MIDI port

J29

USB connector 1

J2

Line out

J29A

USB connector 2

J2A

Line in

J29B

VGA interface

J3

Microphone in

J29C

IDE interface 1

J8

Audio in – CD/DVD-ROM

J30

IDE interface 2

J9

TV in connector

J31

VGA port

J10

Modem audio in

J32

VGA feature connector

J14

Media console connector

J33

Parallel port

J23

Power, power LED, IDE LED

J38

Serial port 1

J23A

Speaker

J39

PS/2 mouse port

J24

Audio amplifier connector

J41

Floppy drive interface

J26

32-bit PCI slots

PC1 – PC3

Note: The location of J3 is unidentified.

USER CONFIGURABLE SETTINGS

Function

Label

Position

»

Factory configured - do not alter

J40

Unidentified

»

Factory configured - do not alter

JP1

Pins 1 & 3, 2 & 4 closed

»

Factory configured - do not alter

JP2

Closed

»

On board video enabled

JP4

Pins 1 & 2 closed

 

On board video disabled

JP4

Pins 2 & 3 closed

 

VGA INTA# select

JP5

Pins 1 & 3, 2 & 4 closed

»

CMOS memory normal operation

JP6

Pins 1 & 2 closed

 

CMOS memory clear

JP6

Pins 2 & 3 closed

 

Floppy drive write enabled

JP11

Pins 1 & 2 closed

 

Floppy drive write disabled

JP11

Pins 2 & 3 closed

 

CS4610 interrupt select

JP21

Pins 1 & 2 closed

DIMM CONFIGURATION

Size

Bank 0

Bank 1

Bank 2

8MB

(1) 1M x 64

None

None

16MB

(1) 2M x 64

None

None

16MB

(1) 1M x 64

(1) 1M x 64

None

24MB

(1) 2M x 64

(1) 1M x 64

None

DIMM CONFIGURATION (CON’T)

Size

Bank 0

Bank 1

Bank 2

24MB

(1) 1M x 64

(1) 1M x 64

(1) 1M x 64

32MB

(1) 4M x 64

None

None

32MB

(1) 2M x 64

(1) 1M x 64

(1) 1M x 64

32MB

(1) 2M x 64

(1) 2M x 64

None

40MB

(1) 4M x 64

(1) 1M x 64

None

40MB

(1) 2M x 64

(1) 2M x 64

(1) 1M x 64

48MB

(1) 4M x 64

(1) 1M x 64

(1) 1M x 64

48MB

(1) 2M x 64

(1) 2M x 64

(1) 2M x 64

56MB

(1) 4M x 64

(1) 2M x 64

(1) 1M x 64

64MB

(1) 8M x 64

None

None

64MB

(1) 4M x 64

(1) 2M x 64

(1) 2M x 64

64MB

(1) 4M x 64

(1) 4M x 64

None

72MB

(1) 8M x 64

(1) 1M x 64

None

72MB

(1) 4M x 64

(1) 4M x 64

(1) 1M x 64

80MB

(1) 8M x 64

(1) 1M x 64

(1) 1M x 64

80MB

(1) 8M x 64

(1) 2M x 64

None

80MB

(1) 4M x 64

(1) 4M x 64

(1) 2M x 64

96MB

(1) 8M x 64

(1) 2M x 64

(1) 2M x 64

96MB

(1) 8M x 64

(1) 4M x 64

None

96MB

(1) 4M x 64

(1) 4M x 64

(1) 4M x 64

112MB

(1) 8M x 64

(1) 4M x 64

(1) 2M x 64

128MB

(1) 16M x 64

None

None

128MB

(1) 8M x 64

(1) 8M x 64

None

136MB

(1) 8M x 64

(1) 8M x 64

(1) 1M x 64

144MB

(1) 16M x 64

(1) 1M x 64

(1) 1M x 64

144MB

(1) 16M x 64

(1) 2M x 64

None

144MB

(1) 8M x 64

(1) 8M x 64

(1) 2M x 64

160MB

(1) 16M x 64

(1) 2M x 64

(1) 2M x 64

160MB

(1) 16M x 64

(1) 4M x 64

None

160MB

(1) 8M x 64

(1) 8M x 64

(1) 4M x 64

168MB

(1) 16M x 64

(1) 4M x 64

(1) 1M x 64

192MB

(1) 16M x 64

(1) 4M x 64

(1) 4M x 64

192MB

(1) 8M x 64

(1) 8M x 64

(1) 8M x 64

200MB

(1) 16M x 64

(1) 8M x 64

(1) 1M x 64

208MB

(1) 16M x 64

(1) 8M x 64

(1) 2M x 64

224MB

(1) 16M x 64

(1) 8M x 64

(1) 4M x 64

256MB

(1) 16M x 64

(1) 8M x 64

(1) 8M x 64

384MB

(1) 16M x 64

(1) 16M x 64

(1) 16M x 64

Note: Board accepts SDRAM memory.

CACHE CONFIGURATION

Note: 512KB cache is factory installed and is not configurable.

VIDEO MEMORY CONFIGURATION

Note: To increase video memory from 2MB to 4MB, install upgrade in J11.

CPU SPEED SELECTION

CPU speed

Clock speed

Multiplier

JP3

JP12

166MHz

66MHz

2.5x

1 & 3, 2 & 4

1 & 2, 3 & 4

200MHz

66MHz

3x

2 & 4, 3 & 5

1 & 2, 3 & 4

233MHz

66MHz

3.5x

3 & 5, 4 & 6

1 & 2, 3 & 4

Note: Pins designated should be in the closed position.