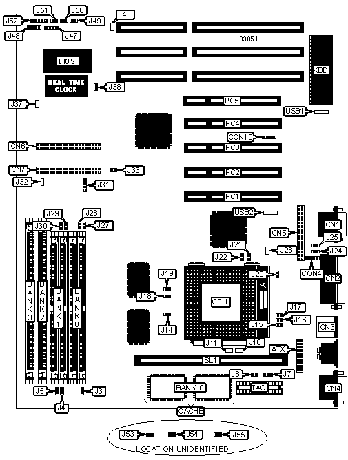
TYAN COMPUTER CORPORATION

S1472

Processor

CX M1/SGS/IBM/Pentium

Processor Speed

75/90/100/120/133/150/166/200MHz

Chip Set

Intel

Video Chip Set

None

Maximum Onboard Memory

128MB (EDO supported)

Maximum Video Memory

None

Cache

256/512KB

BIOS

AMI/Award

Dimensions

330mm x 218mm

I/O Options

32-bit PCI slots (5), floppy drive interface, IDE interfaces (2), parallel port, PS/2 mouse port, serial ports (2), cache slot, IR connectors (2), USB connectors (2), ATX power connector

NPU Options

None

CONNECTIONS

Purpose

Location

Purpose

Location

ATX power connector

ATX

IDE interface LED

J47

Serial port 1

CN1

Speaker

J48

Parallel port

CN2

Reset switch

J49

PS/2 mouse port

CN3

Turbo switch

J50

Serial port 2

CN4

Turbo LED

J51

Floppy drive interface

CN5

Power LED & keylock

J52

IDE interface 2

CN6

32-bit PCI slots

PC1 - PC5

IDE interface 1

CN7

Cache slot

SL1

IR connector

CON4

USB connector 1

USB1

IR connector

CON10

USB connector 2

USB2

USER CONFIGURABLE SETTINGS

Function

Label

Position

»

Factory configured - do not alter

J10

Unidentified

»

Factory configured - do not alter

J11

Unidentified

 

ATX power on

J20

Open

 

ATX power off

J20

Closed

»

Factory configured - do not alter

J26

Unidentified

»

Factory configured - do not alter

J32

Unidentified

»

Factory configured - do not alter

J37

Unidentified

»

CMOS memory normal operation

J38

Open

 

CMOS memory clear

J38

Closed

»

Factory configured - do not alter

J46

Pins 1 & 2 closed

DRAM CONFIGURATION

Size

Bank 0

Bank 1

Bank 2

Bank 3

8MB

(2) 1M x 32

None

None

None

8MB

None

None

(1) 1M x 64

None

16MB

None

None

(1) 2M x 64

None

16MB

(2) 2M x 32

None

None

None

16MB

(2) 1M x 32

(2) 1M x 32

None

None

32MB

(2) 2M x 32

(2) 2M x 32

None

None

32MB

(2) 4M x 32

None

None

None

32MB

None

None

(1) 4M x 64

None

64MB

(2) 8M x 32

None

None

None

64MB

(2) 4M x 32

(2) 4M x 32

None

None

64MB

(2) 4M x 32

None

None

(1) 4M x 64

64MB

None

None

(1) 4M x 64

(1) 4M x 64

96MB

(2) 8M x 32

(2) 4M x 32

None

None

96MB

(2) 8M x 32

None

None

(1) 4M x 64

128MB

(2) 8M x 32

(2) 8M x 32

None

None

Note: Board accepts EDO memory.

DRAM VOLTAGE CONFIGURATION

Voltage

J3

J4

J5

J27

J28

J29

J30

 

3.3v

Closed

Closed

Closed

Open

Open

Open

Open

»

5v

Open

Open

Open

Closed

Closed

Closed

Closed

CACHE CONFIGURATION

Size

Bank 0

SL1

TAG

256KB

(2) 32K x 32

Not installed

Unidentified

512KB

(2) 32K x 32

256KB module installed

Unidentified

CACHE JUMPER CONFIGURATION

Size

J7

256KB

Pins 2 & 3 closed

512KB

Pins 1 & 2 closed

CACHE TAG CONFIGURATION

Setting

J8

TAG enabled

Closed

TAG disabled

Open

Note: Jumper only used if COAST module is installed.

CPU SPEED SELECTION (CYRIX/SGS/IBM)

CPU speed

Clock speed

Multiplier

J21

J22

J31

120MHz

50MHz

2x

Closed

Open

1 & 2, 3 & 4

150MHz

60MHz

2x

Closed

Open

3 & 4

166MHz

66MHz

2x

Closed

Open

1 & 2

Note: Pins designated should be in the closed position.

CPU SPEED SELECTION (INTEL)

CPU speed

Clock speed

Multiplier

J21

J22

J31

75MHz

50MHz

1.5x

Open

Open

1 & 2, 3 & 4

90MHz

60MHz

1.5x

Open

Open

3 & 4

100MHz

66MHz

1.5x

Open

Open

1 & 2

120MHz

60MHz

2x

Closed

Open

3 & 4

133MHz

66MHz

2x

Closed

Open

1 & 2

150MHz

60MHz

2.5x

Closed

Closed

3 & 4

166MHz

66MHz

2.5x

Closed

Closed

1 & 2

200MHz

66MHz

3x

Open

Closed

1 & 2

Note: Pins designated should be in the closed position.

CPU VOLTAGE SELECTION (P55C ONLY)

Voltage

J14

J15

J16

J17

J18

J19

J54

J55

2.6v

Open

Open

Closed

Open

Open

Open

Closed

Closed

2.8v

Open

Open

Open

Closed

Open

Open

Closed

Closed

3v

Open

Closed

Open

Open

Open

Open

Closed

Closed

POWER SUPPLY SELECTION

Setting

J14

J15

J16

J17

J18

»

ATX

Closed

Open

Open

Open

Closed

 

AT

Closed

Open

Open

Open

Closed

POWER SUPPLY SELECTION (CON’T)

Setting

J19

J33

J53

J54

J55

»

ATX

Closed

Open

Open

Open

Open

 

AT

Closed

Closed

Closed

Open

Closed

SERIAL PORT SELECTION

Setting

J24

J25

Used as serial port

Pins 1 & 2 closed

Pins 1 & 2 closed

Used as IR connector

Pins 2 & 3 closed

Pins 2 & 3 closed