SEANIX TECHNOLOGY, INC.
FRASERLX (VER. 1.0)
|
Device Type |
Mainboard |
|
Processor |
Pentium II |
|
Processor Speed |
233/266/300MHz |
|
Chip Set |
Intel 440LX |
|
Maximum Onboard Memory |
384MB (SDRAM supported) |
|
Cache |
512KB |
|
BIOS |
Intel/Phoenix |
|
Dimensions |
305mm x 244mm |
|
I/O Options |
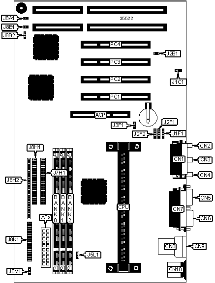
32-bit PCI slots (4), floppy drive interface, game/MIDI port, green PC connector, IDE interfaces (2), parallel port, PS/2 mouse port, serial ports (2), IR connector, USB connectors (2), ATX power connector, AGP slot, audio line in (2), audio line out, microphone in |
|
CONNECTIONS | |||
|
Purpose |
Location |
Purpose |
Location |
|
ATX power connector |
ATX |
Chassis fan power |
J5L1 |
|
Game/MIDI port |
CN1 |
IDE interface 2 |
J7H1 |
|
Microphone in |
CN2 |
Wake on ring connector |
J8A1 |
|
Line in - external |
CN3 |
SCSI interface LED |
J8B1 |
|
Line out |
CN4 |
IDE interface 1 |
J8H1 |
|
Serial port 2 |
CN5 |
Soft off power supply |
J8H2/pins 1 & 2 |
|
Serial port 1 |
CN6 |
Green PC connector |
J8H2/pins 3 & 4 |
|
Parallel port |
CN7 |
IR connector |
J8H2/pins 6 - 11 |
|
USB connector 2 |
CN8 |
IDE interface LED |
J8H2/pins 13 - 16 |
|
USB connector 1 |
CN9 |
Power LED |
J8H2/pins 18 - 20 |
|
PS/2 mouse port |
CN10 |
Reset |
J8H2/pins 22 & 23 |
|
Wake on LAN connector |
J1C1 |
Speaker |
J8H2/pins 24 - 27 |
|
Audio in - CD-ROM |
J1F1 |
Floppy drive interface |
J8K1 |
|
Chassis security |
J2B1 |
Chassis fan power |
J8M1 |
|
Telephony connector |
J2F1 |
32-bit PCI slots |
PC1 – PC4 |
|
Line in - internal |
J2F2 |
AGP slot |
AGP |
|
Chassis fan power |
J3F1 | ||
|
USER CONFIGURABLE SETTINGS | |||
|
Function |
Label |
Position | |
|
BIOS normal operation |
J8B2 |
Pins 1 & 2 closed | |
|
BIOS configuration mode |
J8B2 |
Pins 2 & 3 closed | |
|
BIOS recovery mode |
J8B2 |
Open | |
|
DIMM CONFIGURATION | |||
|
Size |
Bank 0 |
Bank 1 |
Bank 2 |
|
8MB |
(1) 1M x 64 |
None |
None |
|
16MB |
(1) 2M x 64 |
None |
None |
|
16MB |
(1) 1M x 64 |
(1) 1M x 64 |
None |
|
24MB |
(1) 2M x 64 |
(1) 1M x 64 |
None |
|
24MB |
(1) 1M x 64 |
(1) 1M x 64 |
(1) 1M x 64 |
|
32MB |
(1) 4M x 64 |
None |
None |
|
32MB |
(1) 2M x 64 |
(1) 2M x 64 |
None |
|
40MB |
(1) 4M x 64 |
(1) 1M x 64 |
None |
|
48MB |
(1) 4M x 64 |
(1) 2M x 64 |
None |
|
48MB |
(1) 2M x 64 |
(1) 2M x 64 |
(1) 2M x 64 |
|
64MB |
(1) 8M x 64 |
None |
None |
|
64MB |
(1) 4M x 64 |
(1) 4M x 64 |
None |
|
72MB |
(1) 8M x 64 |
(1) 1M x 64 |
None |
|
80MB |
(1) 8M x 64 |
(1) 2M x 64 |
None |
|
96MB |
(1) 8M x 64 |
(1) 4M x 64 |
None |
|
96MB |
(1) 4M x 64 |
(1) 4M x 64 |
(1) 4M x 64 |
|
DIMM CONFIGURATION (CON’T) | |||
|
Size |
Bank 0 |
Bank 1 |
Bank 2 |
|
128MB |
(1) 8M x 64 |
(1) 8M x 64 |
None |
|
128MB |
(1) 16M x 64 |
None |
None |
|
192MB |
(1) 8M x 64 |
(1) 8M x 64 |
(1) 8M x 64 |
|
256MB |
(1) 16M x 64 |
(1) 16M x 64 |
None |
|
384MB |
(1) 16M x 64 |
(1) 16M x 64 |
(1) 16M x 64 |
|
CACHE CONFIGURATION |
|
Note: 512KB cache is located on the Pentium II CPU. |