SUPERPOWER COMPUTER CO., LTD.

SP-V586A

Device Type

Mainboard

Processor

CX 6X86/CX 6X86L/CX 686MX/AM K5/AM K6/Pentium/Pentium MMX

Processor Speed

75/90/100/120/133/150/166/200/233/266/300MHz

Chip Set

VIA

Maximum Onboard Memory

256MB (EDO & SDRAM supported)

Cache

512KB

BIOS

Award

Dimensions

304mm x 200mm

I/O Options

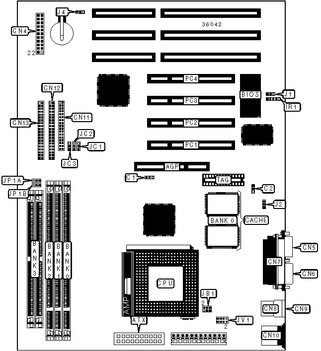
32-bit PCI slots (4), floppy drive interface, green PC connector, IDE interfaces (2), parallel port, PS/2 mouse port, serial ports (2), IR connector, USB connectors (2), ATX power connector, AGP slot, wake on modem connector

CONNECTIONS

Purpose

Location

Purpose

Location

AGP slot

AGP

Serial port 2

CN5

ATX power connector

ATX

Serial port 1

CN6

Chassis fan power

C1

Parallel port

CN7

Chassis fan power

C2

USB connector 1

CN8

Power LED & keylock

CN4/pins 1 - 5

USB connector 2

CN9

IDE interface LED

CN4/pins 6 & 17

PS/2 mouse port

CN10

Green PC connector

CN4/pins 7 & 16

Floppy drive interface

CN11

Reset switch

CN4/pins 8 & 15

IDE interface 2

CN12

Turbo LED

CN4/pins 9 & 14

IDE interface 1

CN13

Green PC LED

CN4/pins 10 & 13

IR connector

IR1

Soft off power supply

CN4/pins 11 & 12

Wake on LAN connector

J2

Speaker

CN4/pins 19 - 22

32-bit PCI slots

PC1 - PC4

USER CONFIGURABLE SETTINGS

Function

Label

Position

 

Flash BIOS voltage select 12v

J1

Pins 2 & 3 closed

 

Flash BIOS voltage select 5v

J1

Pins 1 & 2 closed

»

CMOS memory normal operation

J4

Pins 1 & 2 closed

 

CMOS memory clear

J4

Pins 2 & 3 closed

SIMM CONFIGURATION

Size

Bank 3

8MB

(2) 1M x 36

16MB

(2) 2M x 36

32MB

(2) 4M x 36

64MB

(2) 8M x 36

128MB

(2) 16M x 36

256MB

(2) 32M x 36

Note: Board accepts EDO memory.

DIMM CONFIGURATION

Size

Bank 0

Bank 1

Bank 2

8MB

(1) 1M x 64

None

None

16MB

(1) 2M x 64

None

None

16MB

(1) 1M x 64

(1) 1M x 64

None

24MB

(1) 2M x 64

(1) 1M x 64

None

24MB

(1) 1M x 64

(1) 1M x 64

(1) 1M x 64

32MB

(1) 4M x 64

None

None

32MB

(1) 2M x 64

(1) 1M x 64

(1) 1M x 64

32MB

(1) 2M x 64

(1) 2M x 64

None

40MB

(1) 4M x 64

(1) 1M x 64

None

40MB

(1) 2M x 64

(1) 2M x 64

(1) 1M x 64

DIMM CONFIGURATION (CON'T)

Size

Bank 0

Bank 1

Bank 2

48MB

(1) 4M x 64

(1) 1M x 64

(1) 1M x 64

48MB

(1) 4M x 64

(1) 2M x 64

None

48MB

(1) 2M x 64

(1) 2M x 64

(1) 2M x 64

56MB

(1) 4M x 64

(1) 2M x 64

(1) 1M x 64

64MB

(1) 8M x 64

None

None

64MB

(1) 4M x 64

(1) 2M x 64

(1) 2M x 64

64MB

(1) 4M x 64

(1) 4M x 64

None

72MB

(1) 8M x 64

(1) 1M x 64

None

72MB

(1) 4M x 64

(1) 4M x 64

(1) 1M x 64

80MB

(1) 8M x 64

(1) 1M x 64

(1) 1M x 64

80MB

(1) 8M x 64

(1) 2M x 64

None

80MB

(1) 4M x 64

(1) 4M x 64

(1) 2M x 64

88MB

(1) 8M x 64

(1) 2M x 64

(1) 1M x 64

96MB

(1) 8M x 64

(1) 2M x 64

(1) 2M x 64

96MB

(1) 8M x 64

(1) 4M x 64

None

128MB

(1) 16M x 64

None

None

128MB

(1) 8M x 64

(1) 4M x 64

(1) 4M x 64

128MB

(1) 8M x 64

(1) 8M x 64

None

136MB

(1) 16M x 64

(1) 1M x 64

None

136MB

(1) 8M x 64

(1) 8M x 64

(1) 1M x 64

144MB

(1) 16M x 64

(1) 1M x 64

(1) 1M x 64

144MB

(1) 16M x 64

(1) 2M x 64

None

144MB

(1) 8M x 64

(1) 8M x 64

(1) 2M x 64

152MB

(1) 16M x 64

(1) 2M x 64

(1) 1M x 64

160MB

(1) 16M x 64

(1) 2M x 64

(1) 2M x 64

160MB

(1) 16M x 64

(1) 4M x 64

None

160MB

(1) 8M x 64

(1) 8M x 64

(1) 4M x 64

168MB

(1) 16M x 64

(1) 4M x 64

(1) 1M x 64

176MB

(1) 16M x 64

(1) 4M x 64

(1) 2M x 64

192MB

(1) 16M x 64

(1) 4M x 64

(1) 4M x 64

192MB

(1) 16M x 64

(1) 8M x 64

None

192MB

(1) 8M x 64

(1) 8M x 64

(1) 8M x 64

200MB

(1) 16M x 64

(1) 8M x 64

(1) 1M x 64

208MB

(1) 16M x 64

(1) 8M x 64

(1) 2M x 64

224MB

(1) 16M x 64

(1) 8M x 64

(1) 4M x 64

256MB

(1) 16M x 64

(1) 8M x 64

(1) 8M x 64

Note: Board accepts SDRAM memory.

DIMM VOLTAGE CONFIGURATION

Voltage

JP1A

JP1B

3.3v

Pins 1 & 2 closed

Pins 1 & 2 closed

5v

Pins 2 & 3 closed

Pins 2 & 3 closed

CACHE CONFIGURATION

Size

Bank 0

TAG

256KB

(2) 32K x 32

Unidentified

512KB

(2) 64K x 32

Unidentified

CPU SPEED SELECTION (CX 6X86)

CPU speed

Clock speed

Multiplier

JB1/

pins

1 & 2

JB1/

pins

3 & 4

JB1/

pins

5 & 6

JC1

JC2

JC3

150MHz

60MHz

2x

Closed

Open

Open

2 & 3

1 & 2

1 & 2

166MHz

66MHz

2x

Closed

Open

Open

1 & 2

1 & 2

1 & 2

Note: Pins designated should be in the closed position.

CPU SPEED SELECTION (CX 6X86L)

CPU speed

Clock speed

Multiplier

JB1/

pins

1 & 2

JB1/

pins

3 & 4

JB1/

pins

5 & 6

JC1

JC2

JC3

150MHz

60MHz

2x

Closed

Open

Open

2 & 3

1 & 2

1 & 2

166MHz

66MHz

2x

Closed

Open

Open

1 & 2

1 & 2

1 & 2

200MHz

75MHz

2x

Closed

Open

Open

1 & 2

2 & 3

1 & 2

Note: Pins designated should be in the closed position.

CPU SPEED SELECTION (CX 6X86MX)

CPU speed

Clock speed

Multiplier

JB1/

pins

1 & 2

JB1/

pins

3 & 4

JB1/

pins

5 & 6

JC1

JC2

JC3

166MHz

66MHz

2x

Closed

Open

Open

1 & 2

1 & 2

1 & 2

200MHz

66MHz

2.5x

Closed

Closed

Open

1 & 2

1 & 2

1 & 2

200MHz

75MHz

2x

Closed

Open

Open

1 & 2

2 & 3

1 & 2

233MHz

75MHz

2.5x

Closed

Closed

Open

1 & 2

2 & 3

1 & 2

300MHz

75MHz

3x

Open

Closed

Open

1 & 2

2 & 3

1 & 2

Note: Pins designated should be in the closed position.

CPU SPEED SELECTION (AM K5)

CPU speed

Clock speed

Multiplier

JB1/

pins

1 & 2

JB1/

pins

3 & 4

JB1/

pins

5 & 6

JC1

JC2

JC3

133MHz

66MHz

2x

Closed

Open

Open

1 & 2

1 & 2

1 & 2

150MHz

60MHz

2.5x

Closed

Closed

Open

2 & 3

1 & 2

1 & 2

166MHz

66MHz

2.5x

Closed

Closed

Open

1 & 2

1 & 2

1 & 2

Note: Pins designated should be in the closed position.

CPU SPEED SELECTION (AM K6)

CPU speed

Clock speed

Multiplier

JB1/

pins

1 & 2

JB1/

pins

3 & 4

JB1/

pins

5 & 6

JC1

JC2

JC3

166MHz

66MHz

2.5x

Closed

Closed

Open

1 & 2

1 & 2

1 & 2

200MHz

66MHz

3x

Open

Closed

Open

1 & 2

1 & 2

1 & 2

233MHz

66MHz

3.5x

Open

Open

Open

1 & 2

1 & 2

1 & 2

266MHz

66MHz

4x

Closed

Open

Closed

1 & 2

1 & 2

1 & 2

300MHz

66MHz

4.5x

Closed

Closed

Closed

1 & 2

1 & 2

1 & 2

Note: Pins designated should be in the closed position.

CPU SPEED SELECTION (INTEL)

CPU speed

Clock speed

Multiplier

JB1/

pins

1 & 2

JB1/

pins

3 & 4

JB1/

pins

5 & 6

JC1

JC2

JC3

75MHz

50MHz

1.5x

Open

Open

Open

2 & 3

2 & 3

2 & 3

90MHz

60MHz

1.5x

Open

Open

Open

2 & 3

1 & 2

1 & 2

100MHz

66MHz

1.5x

Open

Open

Open

1 & 2

1 & 2

1 & 2

120MHz

60MHz

2x

Closed

Open

Open

2 & 3

1 & 2

1 & 2

133MHz

66MHz

2x

Closed

Open

Open

1 & 2

1 & 2

1 & 2

150MHz

60MHz

2.5x

Closed

Closed

Open

2 & 3

1 & 2

1 & 2

166MHz

66MHz

2.5x

Closed

Closed

Open

1 & 2

1 & 2

1 & 2

200MHz

66MHz

3x

Open

Closed

Open

1 & 2

1 & 2

1 & 2

Note: Pins designated should be in the closed position.

CPU SPEED SELECTION (INTEL MMX)

CPU speed

Clock speed

Multiplier

JB1/

pins

1 & 2

JB1/

pins

3 & 4

JB1/

pins

5 & 6

JC1

JC2

JC3

166MHz

66MHz

2.5x

Closed

Closed

Open

1 & 2

1 & 2

1 & 2

200MHz

66MHz

3x

Open

Closed

Open

1 & 2

1 & 2

1 & 2

233MHz

66MHz

3.5x

Open

Open

Open

1 & 2

1 & 2

1 & 2

Note: Pins designated should be in the closed position.

CPU VOLTAGE SELECTION

Voltage

JV1/pins 1 & 2

JV1/pins 3 & 4

JV1/pins 5 & 6

JV1/pins 7 & 8

2.0v

Open

Open

Open

Open

2.1v

Closed

Open

Open

Open

2.2v

Open

Open

Closed

Open

2.3v

Closed

Closed

Open

Open

2.4v

Open

Open

Closed

Open

2.5v

Closed

Open

Closed

Open

2.6v

Open

Closed

Closed

Open

2.7v

Closed

Closed

Closed

Open

2.8v

Open

Open

Open

Closed

2.9v

Closed

Open

Open

Closed

3.0v

Open

Closed

Closed

Open

3.1v

Closed

Closed

Open

Closed

3.2v

Open

Open

Closed

Closed

3.3v

Open

Closed

Closed

Closed

3.5v

Closed

Closed

Closed

Closed