COMPU-SHACK PRODUCTION, GMBH
HIGHSCREEN (ISA)
|
Card Type |
Network Interface Card |
|
NIC Type |
Ethernet |
|
Maximum Onboard Memory |
Unidentified |
|
Boot ROM |
Available |
|
Network Transfer Rate |
10/100Mbps |
|
Topology |
Linear Bus, Star |
|
Wiring Type |
Unshielded twisted pair RG-58A/U 50ohm coaxial |
|
Data Bus |
16-bit ISA |
|
CONNECTIONS | |||
|
Function |
Label |
Function |
Label |
|
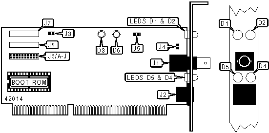
RG-58A/U connector |
J1 |
UTP connector |
J2 |
|
USER CONFIGURABLE SETTINGS | ||
|
Function |
Label |
Position |
|
Adapter in AT slot (16-bit) |
J3 |
Open |
|
Adapter in PC slot (8-bit) |
J3 |
Closed |
|
No 50 ohm resistor connected |
J4 |
Open |
|
50 ohm resistor connected |
J4 |
Closed |
|
Factory configured - do not alter. |
J6/B |
Unidentified |
|
Factory configured - do not alter. |
J6/C |
Unidentified |
|
Factory configured - do not alter. |
J6/D |
Unidentified |
|
Factory configured - do not alter. |
J6/E |
Unidentified |
|
Factory configured - do not alter. |
J6/F |
Unidentified |
|
Factory configured - do not alter. |
J6/G |
Unidentified |
|
Factory configured - do not alter. |
J6/H |
Unidentified |
|
Factory configured - do not alter. |
J6/I |
Unidentified |
|
Factory configured - do not alter. |
J6/J |
Unidentified |
|
Factory configured - do not alter. |
J7 |
Unidentified |
|
Factory configured - do not alter. |
J8 |
Unidentified |
|
SOFTWARE CONFIGURATION SELECT | ||
|
Function |
J5 |
J6/A |
|
Software enabled |
Closed |
Closed |
|
Software disabled |
Open |
Open |
|
DIAGNOSTIC LED(S) | |||
|
LED |
Color |
Status |
Condition |
|
D1 |
Yellow |
Blinking |
Data is being transmitted |
|
D1 |
Yellow |
Off |
Data is not being transmitted |
|
D2 |
Yellow |
Blinking |
Data is being received |
|
D2 |
Yellow |
Off |
Data is not being received |
|
D3 |
Yellow |
On |
Collision detected |
|
D3 |
Yellow |
Off |
No collision detected |
|
D4 |
Green |
On |
UTP link is good |
|
D4 |
Green |
Off |
UTP link is broken |
|
D5 |
Red |
On |
Polarity reversed |
|
D5 |
Red |
Off |
Polarity normal |
|
D6 |
Yellow |
On |
TP time-out elapsed/TP driver disabled |
|
D6 |
Yellow |
Off |
TP time-out not elapsed/TP driver enabled |