GVC TECHNOLOGIES, INC.

NIC-2003

NIC Type

Ethernet

Transfer Rate

10Mbps

Data Bus

8-bit ISA

Topology

Linear Bus, Star

Wiring Type

Unshielded twisted pair

RG58A/U 50ohm coaxial

AUI transceiver via DB-15 port

Boot ROM

Available

BASE MEMORY ADDRESS CONFIGURATION

Address

Shared Memory Size

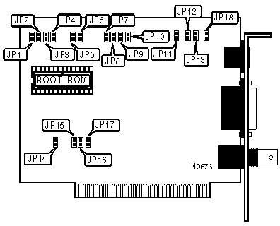
JP1

JP2

JP3

JP4

»

N/A

No Boot PROM

Open

Open

Open

Open

 

C000h

8KB/16KB

Open

Open

Closed

Open

 

C400h

8KB/16KB

Open

Open

Closed

Closed

 

C800h

8KB/16KB

Open

Closed

Open

Open

 

CC00h

8KB/16KB

Open

Closed

Open

Closed

 

D000h

8KB/16KB

Open

Closed

Closed

Open

 

D400h

8KB/16KB

Open

Closed

Closed

Closed

 

D800h

8KB/16KB

Closed

Open

Op-en

Open

 

DC00h

8KB/16KB

Closed

Open

Open

Closed

 

C000h

32KB/32KB

Closed

Open

Closed

Open

 

C800h

32KB/32KB

Closed

Open

Closed

Closed

 

D000h

32KB/32KB

Closed

Closed

Open

Open

 

D800h

32KB/32KB

Closed

Closed

Open

Closed

 

C000h

64KB/64KB

Closed

Closed

Closed

Open

 

D000h

64KB/64KB

Closed

Closed

Closed

Closed

CABLE TYPE

Type

JP5

JP6

RG58A/U 50ohm coaxial

Open

Closed

AUI transceiver via DB-15 port

Closed

Open

TPI (Reduced Squelch)

Closed

Closed

Unshielded twisted pair

Open

Open

CHANNEL READY CONFIGURATION

Setting

JP12

»

Channel Ready generated after command strobe

Open

 

Channel ready generated after BALE goes high

Closed

EECONFIG

Setting

JP18

»

Software Configuration

Closed

 

Hardware (jumpers) Configuration

Open

INTERRUPT SELECT

IRQ

JP7

JP8

JP9

JP10

»

IRQ3

Closed

Open

Open

Open

 

IRQ4

Closed

Open

Open

Closed

 

IRQ5

Closed

Open

Closed

Open

 

IRQ9

Closed

Open

Closed

Closed

 

IRQ10

Closed

Closed

Open

Open

 

IRQ11

Closed

Closed

Open

Closed

 

IRQ12

Closed

Closed

Closed

Open

 

IRQ15

Closed

Closed

Closed

Closed

I/O BASE ADDRESS CONFIGURATION

Address

JP15

JP16

JP17

»

300h

Open

Open

Open

 

Software

Open

Open

Closed

 

240h

Open

Closed

Open

 

280h

Open

Closed

Closed

 

2C0h

Closed

Open

Open

 

320h

Closed

Open

Closed

 

340h

Closed

Closed

Open

 

360h

Closed

Closed

Closed

IO16CON CONFIGURATION

Setting

JP13

»

IO16 generated only on address decode

Open

 

IO16 generated after IORD or IOWR go active

Closed

LINK-TEST CONFIGURATION

Setting

JP11

»

Link Test enabled

Open

 

Link Test disabled

Closed

MEMORY/IO MODE CONFIGURATION

Setting

JP14

»

I/O Mode

Open

 

Shared Memory Mode

Closed