ACER, INC.

28.8 internal MODEM (DIP switch)

Card Type

Modem(synchronous/asynchronous), Fax, Voice

Chip Set

Unidentified

Maximum Data Rate

28.8Kbps

Maximum Fax Rate

14.4Kbps

Data Bus

8-bit ISA

Fax Class

Class I & II

Data Modulation Protocol

Bell 103A/212A

ITU-T V.22, V.22bis, V.32, V.32bis, V.32terbo, V.34

Fax Modulation Protocol

ITU-T V.17, V.21CH2, V.27ter, V.29

Error Correction/Compression

MNP2-5, V.42, V.42bis

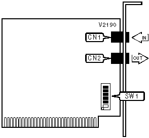
CONNECTIONS

Function

Label

Function

Label

Line in

CN1

Line out

CN2

COM PORT ADDRESS

Setting

SW1/1

SW1/2

COM1 (3F8h)

On

On

COM2 (2F8h)

Off

On

COM3 (3E8h)

On

Off

COM4 (2E8h)

Off

Off

INTERRUPT

Setting

SW1/3

SW1/4

SW1/5

SW1/6

IRQ2

On

Off

Off

Off

IRQ3

Off

On

Off

Off

IRQ4

Off

Off

On

Off

IRQ5

Off

Off

Off

On

Proprietary AT Command Set

See document V2110 for a full command summary.