MOTOROLA, INC.

EC 212A/D

Card Type

Modem (asynchronous)

Chip Set

Unidentified

Maximum Data Rate

1200bps

Data Bus

External

Data Modulation Protocol

Bell 212A

Error Correction

Unidentified

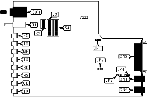
CONNECTIONS

Function

Label

Function

Label

Line out

CN1

Unidentified

R1

Line in

CN2

Unidentified

SW1

RS-232/422

CN3

   

USER CONFIGURABLE SETTINGS

Setting

Label

Position

í Chassis ground connected to signal ground

JP1

Pins 2 & 3 closed

Chassis ground not connected to signal ground

JP1

Pins 1 & 2 closed

í Transmit level set to -9 (permissive)

JP2

Pins 2 & 3 closed

Transmit level set to programmable

JP2

Pins 1 & 2 closed

í Auto-dialer enabled

S2/1

On

Auto-dialer disabled

S2/1

Off

í XXXT<CR> escape sequence enabled

S2/2

On

XXXT<CR> escape sequence disabled

S2/2

Off

í Speed set to 1200bps when pin 23 of RS-232 port is high

S2/3

On

Pin 23 of RS-232 port ignored

S2/3

Off

í Analog loopback test performed when pin 25 of RS-232 port is high

S2/4

On

Pin 25 of RS-232 port ignored

S2/4

Off

í Disconnect modem on receipt of a long space

S3/3

On

Do not disconnect modem on receipt of a long space

S3/3

Off

í Do not transmit long space on disconnect

S3/4

Off

Transmit long space on disconnect

S3/4

On

í Line will not be set busy during test modes

S3/5

Off

Line will be set busy during test modes

S3/5

On

DTR normal

S3/6

On

DTR forced high

S3/6

Off

í Disconnect after 150ms loss of carrier

S3/7

On

Disconnect after 10s loss of carrier

S3/7

Off

í Auto-answer enabled

S3/8

On

Auto-answer disabled

S3/8

Off

í DTR flow control from modem to DTE

S4/1

Off

XON/XOFF flow control from modem to DTE

S4/1

On

í DTE to modem flow control disabled

S4/2

Off

DTE to modem flow control enabled

S4/2

On

HANDSET POLARITY

Setting

JP3

JP4

í Normal

Pins 2 & 3 closed

Pins 2 & 3 closed

Reversed

Pins 1 & 2 closed

Pins 1 & 2 closed

ERROR CORRECTION MODE

Setting

S3/1

S3/2

Error correction disabled

Off

Off

í Error correction enabled

On

Off

Auto-detect error correction

Off

On

Auto-detect error correction

On

On

FLOW CONTROL MODE - MODEM TO DTE

Setting

S4/3

S4/4

í CTS flow control

Off

Off

XON/XOFF flow control

On

Off

Pin 11 of RS-232 port

Off

On

Pin 11 of RS-232 port

On

On

RCD OPERATION

Setting

S4/5

S4/6

RCD on

Off

Off

RCD off

On

Off

í RCD follows data

Off

On

RCD follows data

On

On

DATA FORMAT

Setting

S4/7

S4/8

7 data bits, mark parity

Off

Off

7 data bits, even parity

On

Off

í 7 data bits, odd parity

Off

On

8 data bits, no parity

On

On

DIAGNOSTIC LED(S)

LED

Color

Status

Condition

EC

Red

On

Error correction enabled

EC

Red

Off

Error correction disabled

TR

Red

On

DTR signal is high

TR

Red

Off

DTR signal is low

MR

Red

On

Power is on

MR

Red

Off

Power is off

TD

Red

On

Modem is transmitting data

TD

Red

Off

Modem is not transmitting data

RD

Red

On

Modem is receiving data

RD

Red

Off

Modem is not receiving data

HS

Red

On

Modem is operating at 1200bps

HS

Red

Off

Modem is operating at 300bps

CD

Red

On

Carrier signal detected

CD

Red

Off

Carrier signal not detected

TM

Red

On

Modem is in test mode

TM

Red

Off

Modem is not in test mode