DENSITRON CORPORATION
PCX510
|
Card Type |
Video card |
|
Video Chip Set |
Chips and Technology |
|
Maximum Video Memory |
Unidentified |
|
Data Bus |
16-bit ISA |
|
Video Types Supported |
VGA,EGA, CGA, MDA |
|
Highest Resolution Supported |
640 x 480 |
|
CONNECTIONS | |||
|
Function |
Label |
Function |
Label |
|
Serial port |
CN1 |
15-pin video analog video port |
CN2 |
|
USER CONFIGURABLE SETTINGS | |||
|
Function |
Label |
Position | |
|
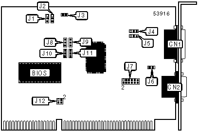
Vee reference select +5v |
J1 |
Pins 1 & 2 closed | |
|
Vee reference select ground |
J1 |
Pins 2 & 3 closed | |
|
Vee polarity select positive |
J2 |
Pins 1 & 2 closed | |
|
Vee polarity select negative |
J2 |
Pins 2 & 3 closed | |
| » |
Factory configured - do not alter |
J3 |
Closed |
|
Shift lock select normal |
J4 |
Pins 2 & 3 closed | |
|
Shift lock select inverted |
J4 |
Pins 1 & 2 closed | |
|
Backlight control select normal |
J5 |
Pins 2 & 3 closed | |
|
Backlight control select inverted |
J5 |
Pins 1 & 2 closed | |
|
Serial port enabled |
J6 |
Closed | |
|
Serial port disabled |
J6 |
Open | |
| » |
Factory configured - do not alter |
J8 |
Unidentified |
| » |
Factory configured - do not alter |
J9 |
Unidentified |
| » |
Factory configured - do not alter |
J10 |
Unidentified |
| » |
Factory configured - do not alter |
J11 |
Unidentified |
|
SERIAL PORT SELECTION | |
|
Setting |
J12 |
|
COM1 |
Open |
|
COM2 |
Pins 2 & 4 closed |
|
COM3 |
Pins 1 & 3 closed |
|
COM4 |
Pins 1 & 3, 2 & 4 closed |
|
IRQ SELECTION | |
|
IRQ |
J7 |
|
IRQ3 |
Pins 7 & 8 closed |
|
IRQ4 |
Pins 9 & 10 closed |
|
IRQ6 |
Pins 11 & 12 closed |
|
IRQ7 |
Pins 1 & 2 closed |
|
IRQ10 |
Pins 3 & 4 closed |
|
IRQ11 |
Pins 5 & 6 closed |
|
None |
Open |