UNIDENTIFIED

COLOR GRAPHICS CARD

Category

Video card

Video Type

CGA/Monochrome

Video Processor

Unidentified

Highest Resolution Supported

640 X 200

Data Bus Type

8-bit ISA

Memory Type

DRAM

Maximum Onboard Memory

64KB (Location unknown)

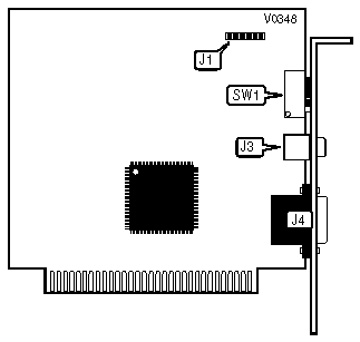
CONNECTIONS

Purpose

Location

Purpose

Location

Light pen connector

J1

9-pin analog video port

J4

RCA jack

J3

   

DISPLAY CONFIGURATION

Mode

SW1/1

SW1/2

SW1/3

SW1/4

SW1/5

Composite Color

On

On

Off

Off

On

Composite Monochrome

On

Off

On

On

Off

CGA

Off

On

Off

Off

Off

Note: The output connector for composite settings is J3, and for CGA it is J4.