UNIDENTIFIED

DA-2338

Category

Video

Video Types Supported

CGA

Video Processor

Unidentified

Highest Resolution Supported

720 x 348 (Monochrome)

Data Bus Type

8-bit ISA

Memory Type

DRAM

Maximum Onboard Memory

Unidentified

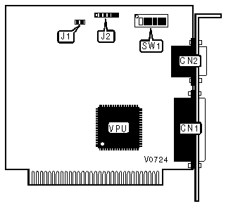
CONNECTIONS

Purpose

Location

Purpose

Location

Parallel port

CN1

Composite video connector - internal

J1

15-pin analog video port

CN2

Light pen connector

J2

MONOCHROME VIDEO

Setting

SW1/1

SW1/2

SW1/5

SW1/6

» Monochrome (Hercules)

On

On

On

On

Monochrome (CGA)

On

On

Off

On

Color (CGA)

Off

Off

Off

On

DUAL DISPLAY MODE

Setting

SW1/1

SW1/2

SW1/5

SW1/6

Dual display (Hercules)

Off

On

On

On

Dual display (CGA)

Off

On

Off

On

COMPOSITE VIDEO

Setting

SW1/1

SW1/2

SW1/5

SW1/6

Color

Off

Off

Off

On

Monochrome

Off

Off

Off

Off

PARALLEL PORT

Setting

SW1/3

SW1/4

» LPT1

Off

On

LPT2

On

On

MGP

On

Off

Disabled

Off

Off