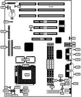
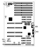
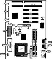
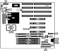
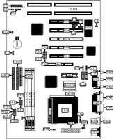
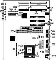
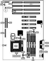
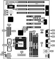
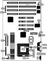
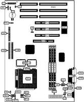
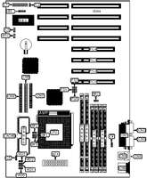
Motherboards. Pentium (socket 4,5,7)
A-H